EasyManua.ls Logo

Bitzer ECOLITE LHL5E/4DES-5Y - 4 Auslieferungszustand und Schematischer Aufbau der ECOLITE Verflüsssigungssätze

Bitzer ECOLITE LHL5E/4DES-5Y
96 pages
Print Icon
To Next Page IconTo Next Page
To Next Page IconTo Next Page
To Previous Page IconTo Previous Page
To Previous Page IconTo Previous Page
Loading...
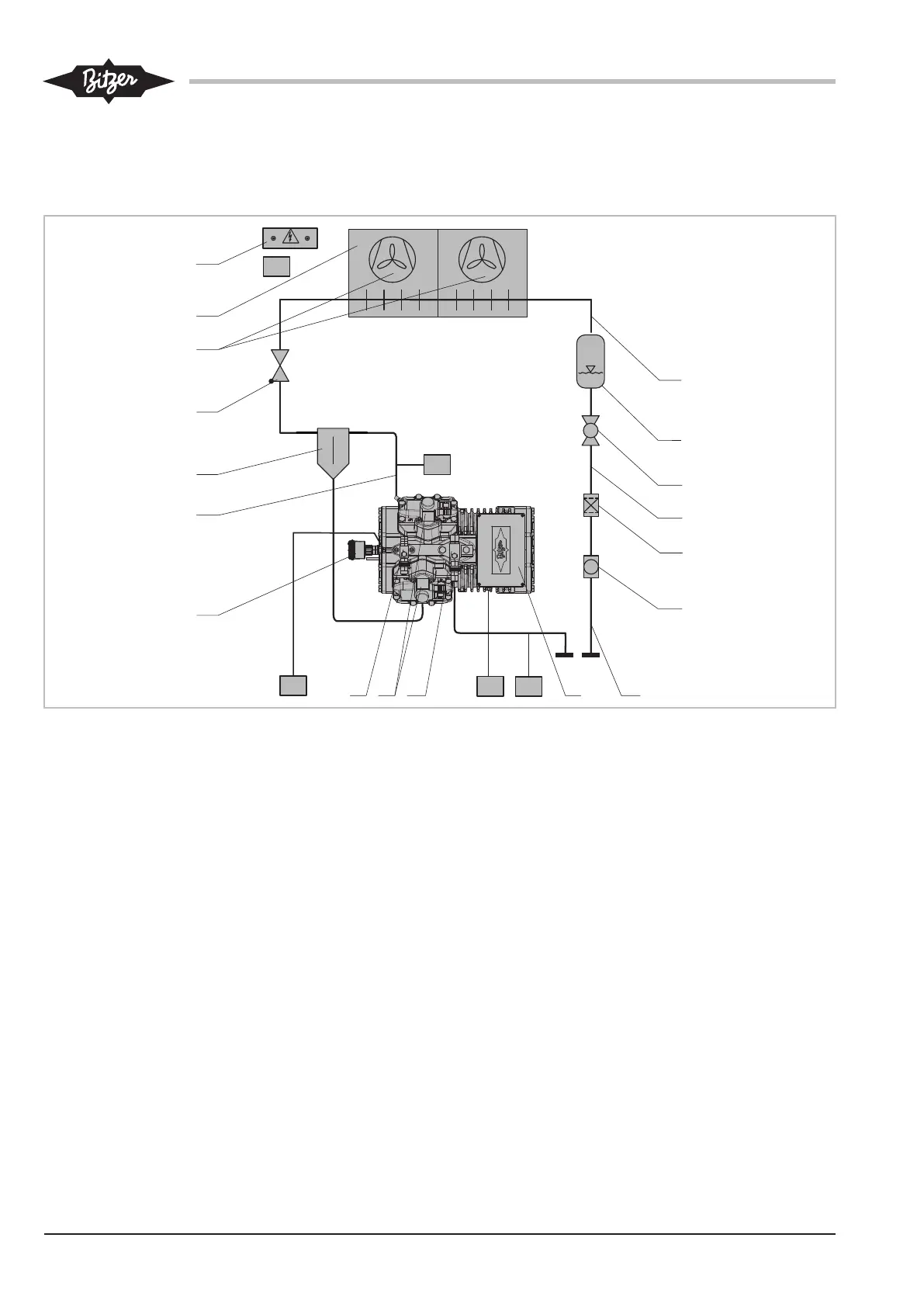
KB-206-138
4 Auslieferungszustand und schematischer Aufbau
der ECOLITE Verflüsssigungssätze
Schutzgasfüllung: Überdruck ca. 0,2 .. 0,5 bar.
Technische Daten siehe Prospekte der Verflüssi-
gungssätze: KP-206.
18
6
1
13
1b
10
4b
12
4
3
2a
2
5a
8
22
19
8a
9
23
1a
11
25
26
Abb.1: Schematischer Aufbau der ECOLITE Verflüssigungssätze (Beispiel zeigt LHL5E/4FES-3Y .. LHL5E/4CES-6Y)

Table of Contents

Other manuals for Bitzer ECOLITE LHL5E/4DES-5Y

Related product manuals