EasyManua.ls Logo

Bitzer HSKC 64 - Page 40

Bitzer HSKC 64
44 pages
Print Icon
To Next Page IconTo Next Page
To Next Page IconTo Next Page
To Previous Page IconTo Previous Page
To Previous Page IconTo Previous Page
Loading...
40
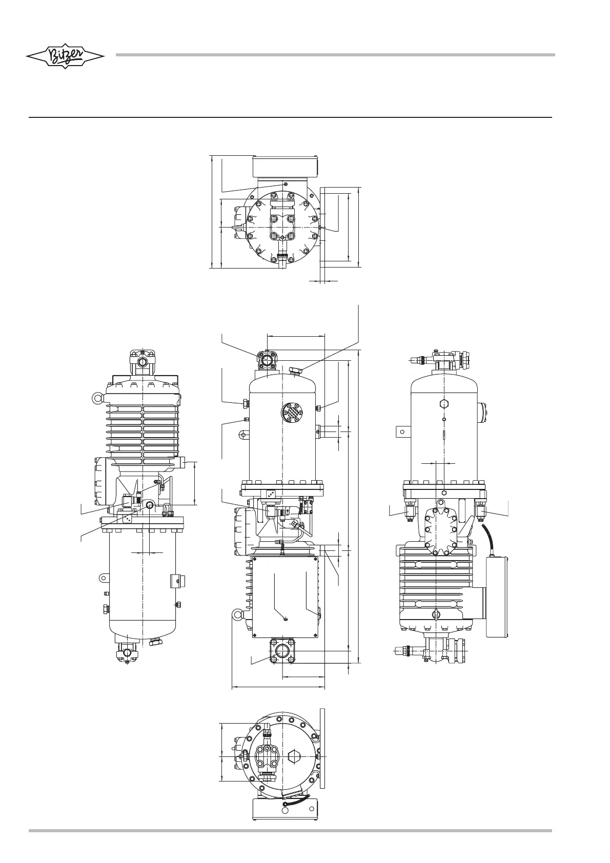
6.5 Dimensioned drawings 6.5 Чертежи с указанием размеров6.5 Maßzeichnungen
1 3/4"-12 UNF
1/4"-18 NPTF
1/8"-27 NPTF
LP
CR1
CR2
CR1LI
1/8"-27 NPTF
LP
1 1/4"-12 UNF
1/8"-27 NPTF
HP
CR2
SL
DL
3/4"-16 UNF
1/4"-18 NPTF
1411
259
418
50 50
305
360
20
508
36
112 149
55
322535
452
190
17
184 129
192
32
HSKC 64..
Rückansicht
Back view
Вид сзади
SH-150-2
www.holodim.ru (495) 921-4126

Related product manuals