EasyManua.ls Logo

Bitzer HSKC 64 - Page 41

Bitzer HSKC 64
44 pages
Print Icon
To Next Page IconTo Next Page
To Next Page IconTo Next Page
To Previous Page IconTo Previous Page
To Previous Page IconTo Previous Page
Loading...
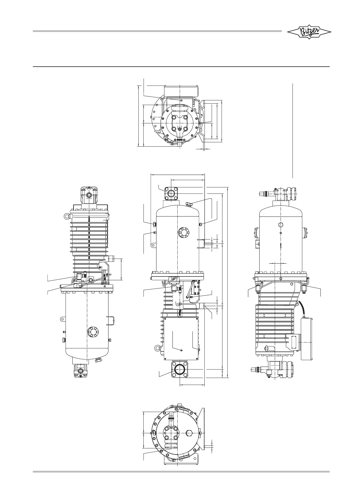
LI
CR1
185 (207)
DL
1/8"-27 NPTF
LP
SL
DL
1 1/4"-12 UNF
1/8"-27 NPTF
HP
CR2
SV
3/4"-16 UNF
1/8-27 NPTF
LP
1/4"-18 NPTF
1/4"-18 NPTF
1 3/4"-12 UNF
17
526
215
B
75
17
50
158
129
184
202
71
433
535 (557)
A
305
288
464
17
137
360
10
CR2
CR1
52
41
HSKC 7451 / 7461 (7471)
Rückansicht
Back view
Вид сзади
7451/7461 7471-70Y 7471-90
A 548 548 598
B 1641 1664 1714
SH-150-2
www.holodim.ru (495) 921-4126

Related product manuals