EasyManua.ls Logo

Bitzer OSN8571-K - Page 101

Bitzer OSN8571-K
108 pages
Print Icon
To Next Page IconTo Next Page
To Next Page IconTo Next Page
To Previous Page IconTo Previous Page
To Previous Page IconTo Previous Page
Loading...
101SH-510-1
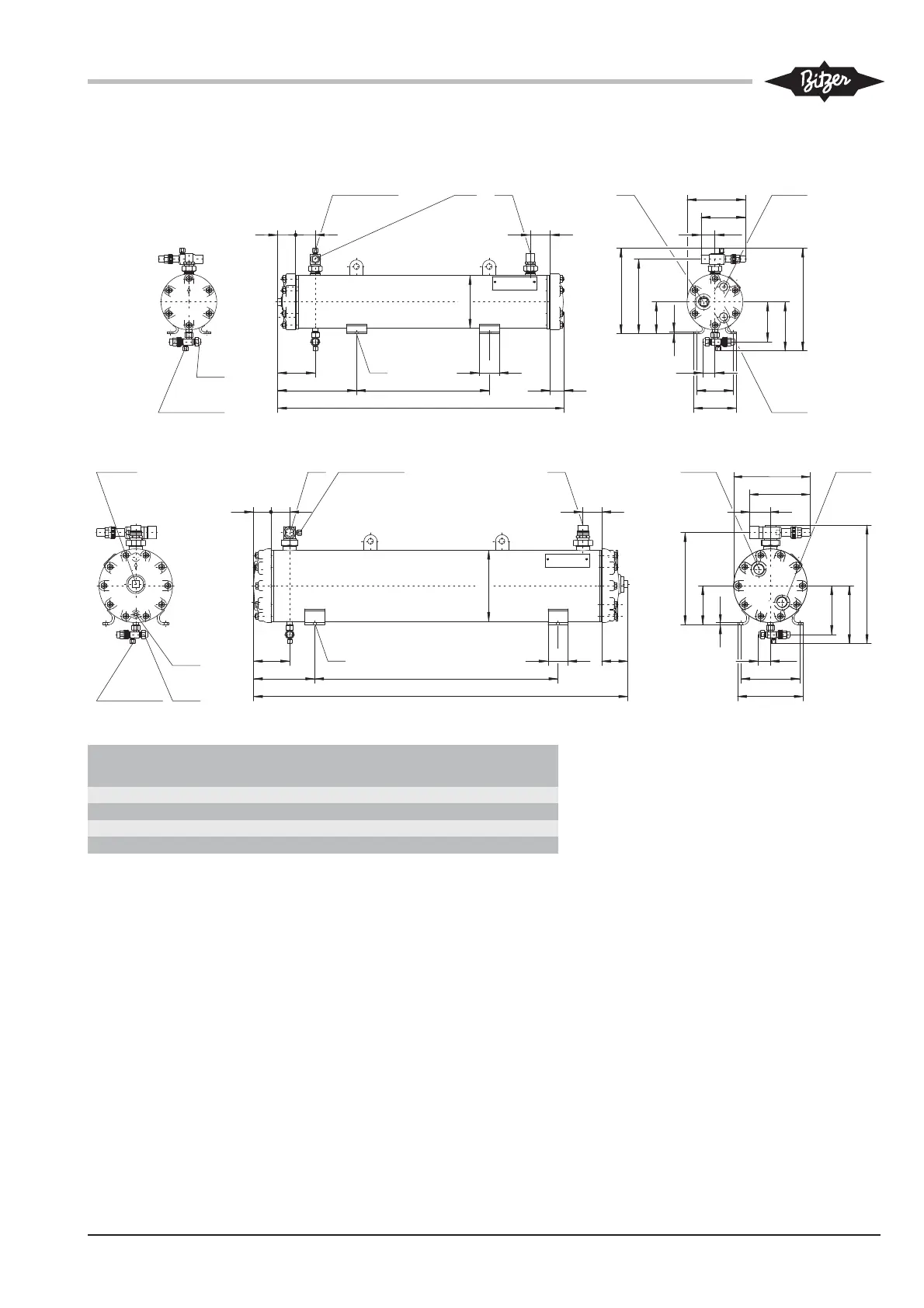
Maßzeichnungen
OW401 & OW501
OW781 & OW941
Anschluss-Positionen
1 Öl-Eintritt
2 Öl-Austritt
3 Kühlmedium-Eintritt
3a: 4- oder 6Pass
3b: 2- oder 3Pass
4 Kühlmedium-Austritt
4a: 4- oder 6Pass
4b: 2- oder 3Pass
5 Kühlmedium-Ablass
6 Manometer-Anschluss
7–
8–
9 Ölablass
Seewasser beständige Ölkühler auf
Anfrage.
Dimensional drawings
Connection positions
1 Oil inlet
2 Oil outlet
3 Coolant inlet
3a: 4 or 6 pass
3b: 2 or 3 pass
4 Coolant outlet
4a: 4 or 6 pass
4b: 2 or 3 pass
5 Coolant drain
6 Pressure gauge connection
7–
8–
9 Oil drain
Seawater resistant oil coolers upon
request.
Croquis cotés
Position des raccords
1 Entrée d'huile
2 Sortie d'huile
3 Entrée de fluide caloporteur
3a: 4 ou 6 pass
3b: 2 ou 3 pass
4 Sortie de fluide caloporteur
4a: 4 ou 6 pass
4b: 2 ou 3 pass
5 Vidange de fluide caloporteur
6 Raccord du manomètre
7–
8–
9 Vidange d'huile
Seawater resistant oil coolers upon
request.
1 4 8
O U T
I N
6 05 4
1 1 4
6 0
Ø 9
4 2
L
H
A
6 0
6
2 5 7
2 2 4
9 5
1 7 6
E 1
3 1 0
1 2 0
1 3 0
1 1 0
3 6
4 b
G 1
4 a / 3 b
G 3 / 4
3 a / 3 b
G 3 / 4
1
2
7 / 1 6 ' ' - 2 0 U N F
6
7 / 1 6 ' ' - 2 0 U N F
6
Ø 1 0 B
9
Ø 1 5 9
E
1 7 6
I N
O U T
I N
O U T
T O P
5 3 5 7
5 7
8 0
6 0
1 1 0
L H
A
Ø 9
Ø 2 1 6
2 8 0
1 1 9
7
2 3 2
3 6 0
1 4 8
2 0 0
1 8 0
3 6
G 1
3 a / 3 b
G 1
4 a / 3 b
G 1 1 / 2
4 b 12
7 / 1 6 ' ' - 2 0 U N F
6
7 / 1 6 ' ' - 2 0 U N F
6
Ø 1 0 B
9
G 1 / 4
5
E
E 1
12AEE1HL
mm mm mm mm mm mm mm
OW401 22 (7/8'') 22 (7/8'') 863 134 42 400 238
OW501 22 (7/8'') 22 (7/8'') 1113 134 42 740 193
OW781 28 (1 1/8'') 28 (1 1/8'') 889 176 57 400 231
OW941 35 (1 3/8'') 35 (1 3/8'') 1139 182 63 740 186

Table of Contents

Related product manuals