EasyManua.ls Logo

Bitzer OSN8571-K - Page 97

Bitzer OSN8571-K
108 pages
Print Icon
To Next Page IconTo Next Page
To Next Page IconTo Next Page
To Previous Page IconTo Previous Page
To Previous Page IconTo Previous Page
Loading...
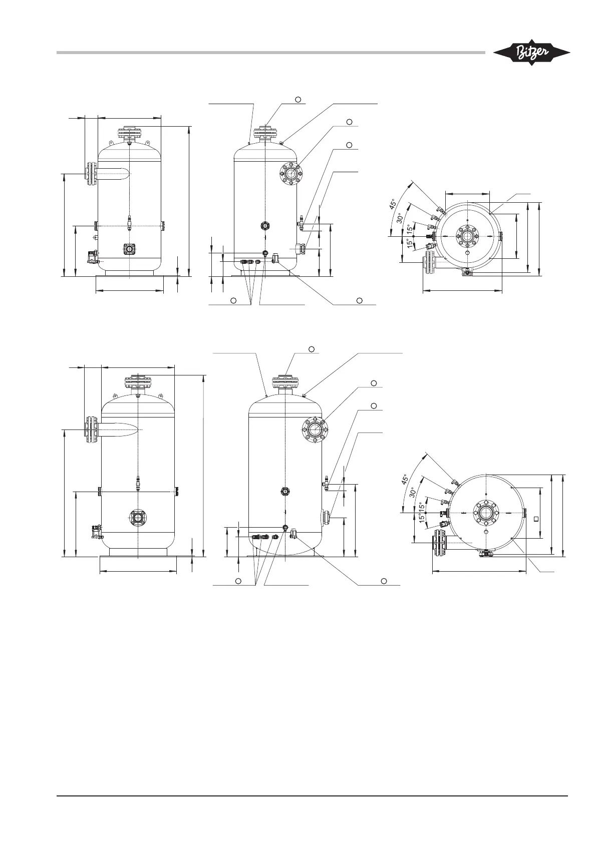
97SH-510-1
OA14011A
OA25012A
Ø 6 5 0
1 0
1 5 6 9
1 3 6
Ø 7 0 0
1 0 7 8
5 3 8
D N 1 0 0
2 5 8
1 6 8
1 / 8 ' ' - 2 7 N P T F
5
3 / 8 ' ' - 1 8 N P T F
2 9 8
5 5 8
7 0
1 1 / 4 ' ' - 1 2 U N F
9
D N 1 0 0
D N 1 2
3
D N 5 0
3 / 8 ' ' - 1 8 N P T F1 3 / 4 ' ' - 1 2 U N F
8
8 1 9
7 6 0
4 6 0
7 2 5
4 6 0
2 6 8
Ø 1 4
6
2
7
2
2
3
1
3
4
1
1 8 9 7
Ø 8 0 0
1 3 2 8
1 0
1 8 0 Ø 7 6 2
3 0 8
2 0 8
5
1 / 8 ' ' - 2 7 N P T F D N 1 2 5
9
1 1 / 4 ' ' - 1 2 U N F
4 0 8
7 5 8
6 8 3
7 0
D N 1 2 5
D N 1 2
3
D N 8 0
3 / 8 ' ' - 1 8 N P T F
8
1 3 / 4 ' ' - 1 2 U N F 3 / 8 ' ' - 1 8 N P T F
9 7 5
8 3 1
8 6 0
5 3 0
Ø 1 8
3 1 1
6
2
7
2
2
3
1
3
4
1

Table of Contents

Related product manuals