EasyManua.ls Logo

Bitzer SE-C2 - Frequency Inverter Operation for CSH with SE-C1; SE-C1 and CSH with Frequency Inverter Wiring

Bitzer SE-C2
24 pages
Print Icon
To Next Page IconTo Next Page
To Next Page IconTo Next Page
To Previous Page IconTo Previous Page
To Previous Page IconTo Previous Page
Loading...
21
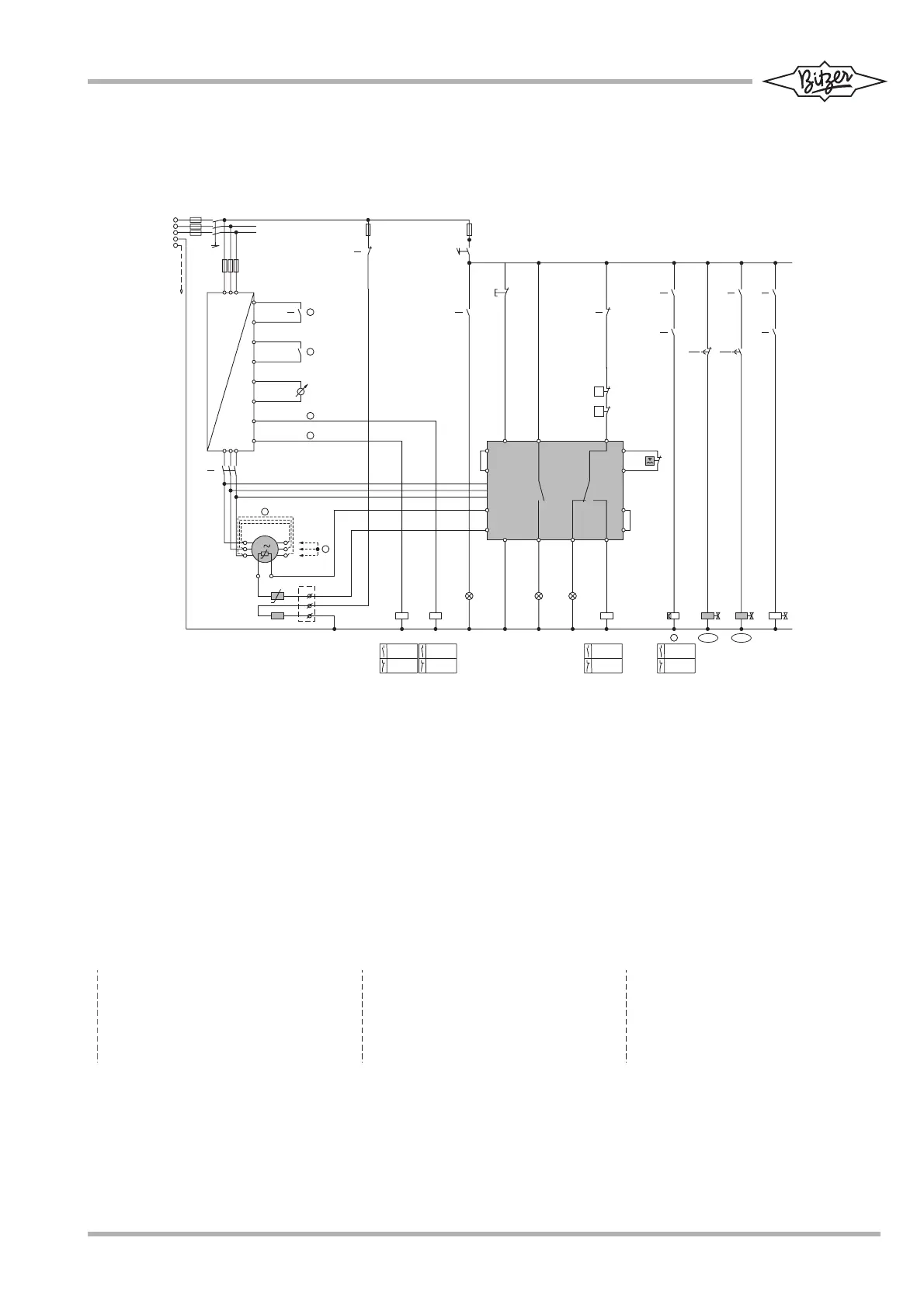
Betrieb mit Frequenz-Umrichter
SE-C1 und CSH
Legende siehe Seiten 12 und 13.
Verdichter ist startbereit
Start
Verdichter ist in Betrieb
Störung des Frequenz-Umrichters
Brücken für Dreieck-Schaltung oder
Teilwicklungsmotor
Brücken für Stern-Schaltung
Die Verzögerungszeit des K7T
muss gleich lang sein, wie die
Hochlaufzeit des Frequenz-
Umrichters nach Verdichterstart
(max. 5 s).
Optionen:
ECO-Betrieb und Kältemittel-Ein-
spritzung (LI)
Prinzipschaltbilder der Optionen
(Pfade 31 bis 33) siehe ebenfalls
Projektierungs-Handbuch SH-170.
Frequency inverter operation
SE-C1 and CSH
Legend see pages 12 and 13.
Compressor ready to start
Start
Compressor in operation
Frequency inverter fault
Bridges for delta wiring or part
winding motor
Bridges for star wiring
The time delay of K7T must be
similar to the the ramp-up time of
the frequency inverter after com-
pressor start (max. 5 s).
Options:
ECO operation and liquid injection
(LI)
Schematic wiring diagrams of the
options (pathes 31 to 33) see also
Applications Manual SH-170.
Fontionnement avec convertisseur de
fréquences
SE-C1 et CSH
Légende voir pages 12 et 13.
Compresseur prêt à démarrer
Démarrage
Compresseur en service
Défaut du convertiseur de fréquence
Ponts pour cablâge en triangle ou
moteur à bobinage partiel
Ponts pour cablâge en étoile
La temporisation de K7Tdoit être aussi
longue que le temps d'accélération du
convertisseur de fréquence après le
démarrage du compresseur (5 s en
maximum).
Options:
fonctionnement ECO et injection de
liquide (LI)
schémas de principe (chemins 31 à
33) voir aussi manuel de mise en
œuvre SH-170.
ST-121-2
1 2 3 4 5 6 7 8 9 1 0 1 1 1 2 1 3 1 4 1 5 1 6 1 7 1 8
K 7 T
1 5
C R 3
C R 4
L 1
L 2
L 3
N
P E
F 1
1
0
Q 1
F 2
S 2
2 / 2 / 2 / 4
1 5 / 1 7 / 1 8
M 1
1
2
3
R 3 - 8
T 1
7
8
9
s c h w a r z / b l a c k / n o i r
b r a u n / b r o w n / m a r r o n
b l a u / b l u e / b l e u
R 2
M 3
T 2
M 3
F 5
P >
S E - C 1
N
L
L 3
L 2
L 1
2 1
7
4
3
1 1
2 4
1 2 1 4
K 1
1 3
F 6
P <
Y 3 Y 4 Y 5
K 1
K 1
1 3
K 7 T
1 5
K 1
1 3
K 9
8
8
5
6
0 1
S 1
F 3
4 AF 4
K 9
8
R 1
5
1 1
1 2
K 1
1 3
K 9
8
K 7 T
1 7
1 6
8
K 8
7
9
1 3
N 1
K 1
1 3
B 2
B 2 H z / V
2
3
4
5
K 9
1 5 / 1 8
6
3 ~
3 ~
K 8
7
7
6
C R 2 5 %
C R 1 0 0 %
K 8
H 2H 1H 8
1
2
F 8

Related product manuals