EasyManua.ls Logo

Bitzer SE-C2 - Frequency Inverter Operation for HS.64;HS.74 with SE-C1; SE-C1 and HS.64;HS.74 with Frequency Inverter Wiring

Bitzer SE-C2
24 pages
Print Icon
To Next Page IconTo Next Page
To Next Page IconTo Next Page
To Previous Page IconTo Previous Page
To Previous Page IconTo Previous Page
Loading...
22
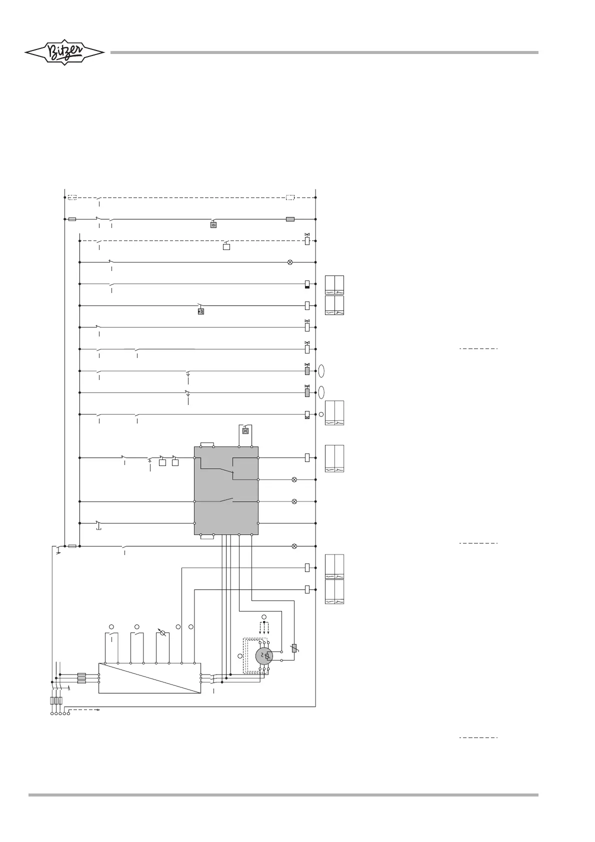
Frequency inverter operation
SE-C1 and HS.64 & HS.74
Fontionnement avec convertisseur de
fréquences
SE-C1 et HS.64 & HS.74
Betrieb mit Frequenz-Umrichter
SE-C1 und HS.64 & HS.74
ST-121-2
1 2 3 4 5 6 7 8 9 1 0 1 1 1 2 1 3 1 4 1 5 1 6 1 7 1 8 1 9 2 0 2 1 2 2 2 3 2 4
K 7 T
1 4
C R 3
C R 4
L 1
L 2
L 3
N
P E
F 1
1
0
Q 1
F 2
S 2
2 / 2 / 2 / 4 / 1 4
1 6 / 1 7 / 2 2 / 2 4
1 8 / 2 3
M 1
1
2
3
R 3 - 8
T 1
7
8
9
s c h w a r z / b l a c k / n o i r
b r a u n / b r o w n / m a r r o n
b l a u / b l u e / b l e u
R 2
M 3
T 2
M 3
F 5
P >
S E - C 1
N
L
L 3
L 2
L 1
2 1
7
1 1
2 4
1 2 1 4
K 1
1 2
F 6
P <
Y 6 Y 7 Y 2
K 1
K 1
1 2
K 7 T
1 4
K 1
1 2
K 9
7
8
5
6
0 1
S 1
F 3
K 1
1 2
K 9
7
K 7 T
1 6
1 5
8
K 8
6
8
1 2
N 1
K 1
1 2
B 2
B 2 H z / V
2
3
4
5
K 9
1 4 / 1 7
3 ~
3 ~
K 8
6
7
6
C R 2 5 %
C R 1 0 0 %
K 8
H 2H 1H 8
F 7
1
2
4
3
1 2 0 s
1 2
2 0 / 2 3
2 1
O p t i o n
Y 3
K 4 T
K 4
Y 8
H 4
K 1
1 2
F 8
1
2
R 1 R 9
K 4
1 9
K 4
1 9
K 4
1 9
K 1
1 2
B 1
K 1
1 2
F 1 2
P <
F 4 F 2 1
O p t i o n
K 1
1 2
K 4 T
2 0
Légende voir pages 12 et 13.
à voir page 21.
Option pour fonctionnement ECO (chemin 22)
Option: élément de chauffage pour boîte de rac-
cordement (chemin 24)
Legend see pages 12 and 13.
to see page 21.
Option for ECO operation (path 22)
Optional heating element for terminal box
(path 24)
Legende siehe Seiten 12 und 13.
bis siehe Seite 21.
Option für ECO-Betrieb (Pfad 22)
Optionales Heizelement für Anschluss-
kasten (Pfad 24)

Related product manuals