EasyManua.ls Logo

Bizerba VS 12 - Amendment; Drawing

Bizerba VS 12
42 pages
Print Icon
To Next Page IconTo Next Page
To Next Page IconTo Next Page
To Previous Page IconTo Previous Page
To Previous Page IconTo Previous Page
Loading...
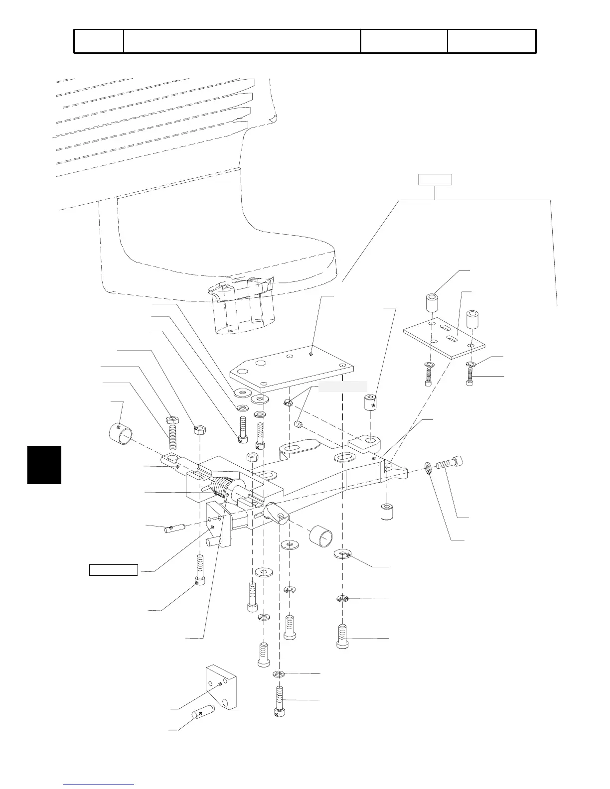
10--60
10--60--54
10--60--56
10--60--50
10--60--52
10--60--42
10--60--44
10--60--40
10--60--22
10--60--30
10--60--12
10--60--20
10--60--1
10--60--10
10--60--23
10--60--26
10--60--24
10--60--22--3
10--60--22--5
10--100
10--104
10--106
10--102
10--70
10--75
10--81
10--80
10--60--32
10--136
10--137
10--135
90.011080.98.3.1001
2
drawingpage Device series (code No.)Spare parts list No.
VS 12 / VS 12 W
Amendment 04/2000
4
4

Table of Contents

Related product manuals