EasyManua.ls Logo

Bizerba VS 12 - Drawing

Bizerba VS 12
42 pages
Print Icon
To Next Page IconTo Next Page
To Next Page IconTo Next Page
To Previous Page IconTo Previous Page
To Previous Page IconTo Previous Page
Loading...
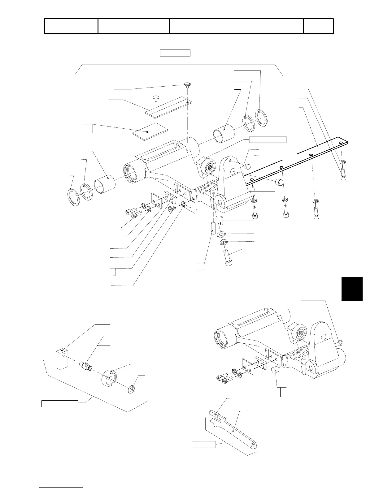
10--200--1
10--200--1--10
10--200--1--11
10--200--1--12
10--200--1--30
10--200--1--31
10--200--1--32
10--200--1--33
10--200--1--10
10--200--1--12
10--200--1--11
10--200--1--2
10--200--1--2
1 0 -- 2 0 0 -- 1 -- 2 -- 1
1 0 -- 2 0 0 -- 1 -- 2 -- 2
1 0 -- 2 0 0 -- 1 -- 2 -- 3
1 0 -- 2 0 0 -- 1 -- 2 -- 4
1 0 -- 2 0 0 -- 1 -- 2 -- 5
10--200--1--6
10--200--1--8
10--200--1--7
10--200--1--23
10--200--1--28
10--200--1--56
10--200--1--54
10--200--1--52
10--200--1--50
10--200--1--47
10--200--1--48
10--200--1--24
10--732
10--732--5
10--732--1
10--220
10--200--1--25
10--200--1--28
10--731
10--200--1--1
10--200--1--22
10--222
10--224
10--200--1--45
10--200--1--46
10--200--1--60
080.98.3.100190.011
3
drawingpage
Device series (code No.) Spare parts list No.
VS 12 / VS 12 W
Amendment 04/2000
4
4

Table of Contents

Related product manuals