EasyManua.ls Logo

Black Max BM10700D - Parts Identification; Visual Parts Identification Diagram

Black Max BM10700D
40 pages
Print Icon
To Next Page IconTo Next Page
To Next Page IconTo Next Page
To Previous Page IconTo Previous Page
To Previous Page IconTo Previous Page
Loading...
36
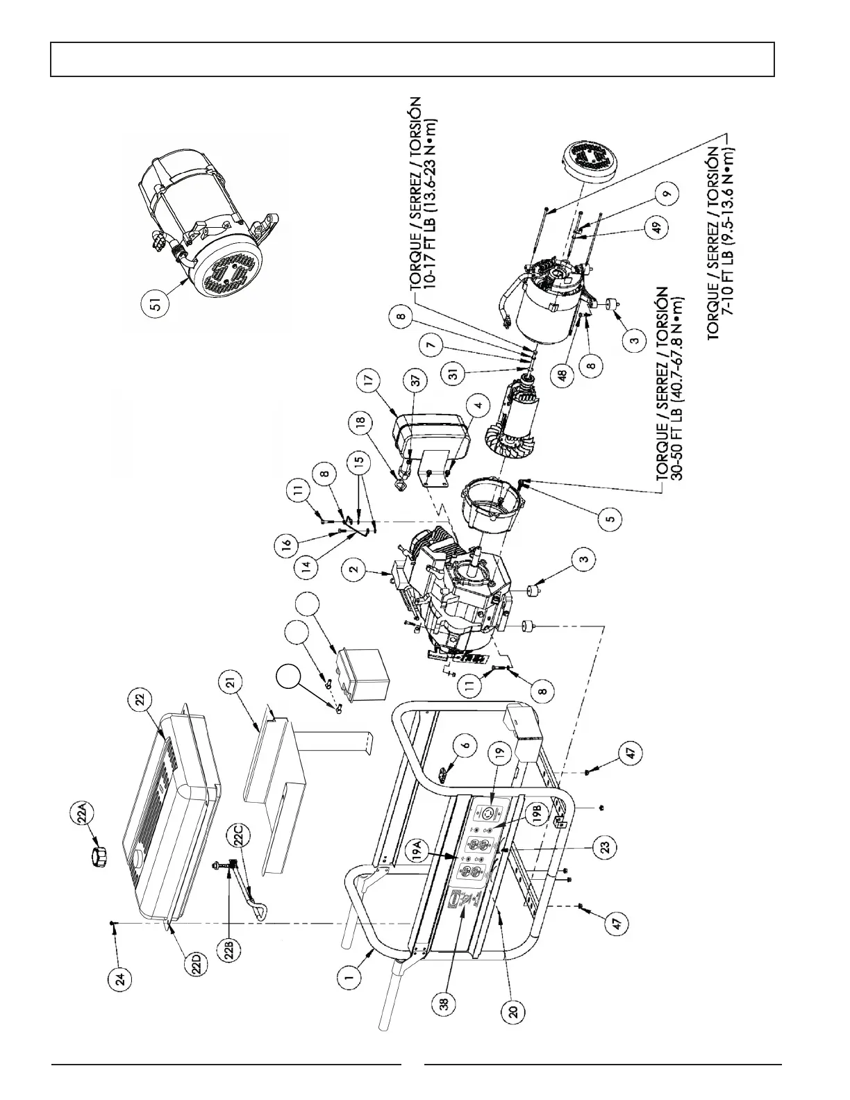
PARTS DRAWING / SCHEMA DES PIÈCES / DIAGRAMA DE PIEZAS
50A
50B
50C

Table of Contents

Related product manuals