EasyManua.ls Logo

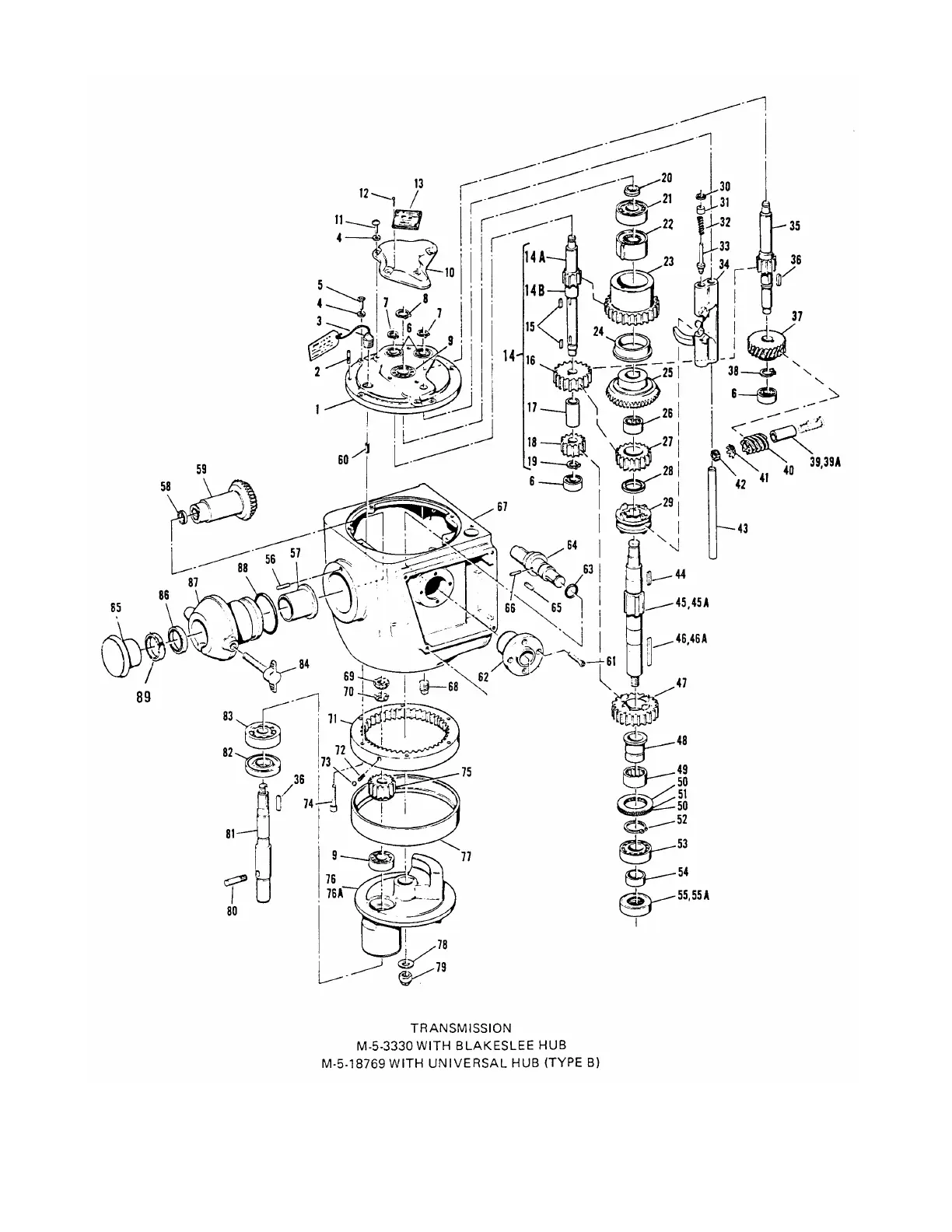
Blakeslee B-20 - Mixer Parts - Transmission & Hub Assemblies; Transmission with Hub Assembly Diagram

Blakeslee B-20
37 pages
Print Icon
To Next Page IconTo Next Page
To Next Page IconTo Next Page
To Previous Page IconTo Previous Page
To Previous Page IconTo Previous Page
Loading...
-30-

Other manuals for Blakeslee B-20

Related product manuals