EasyManua.ls Logo

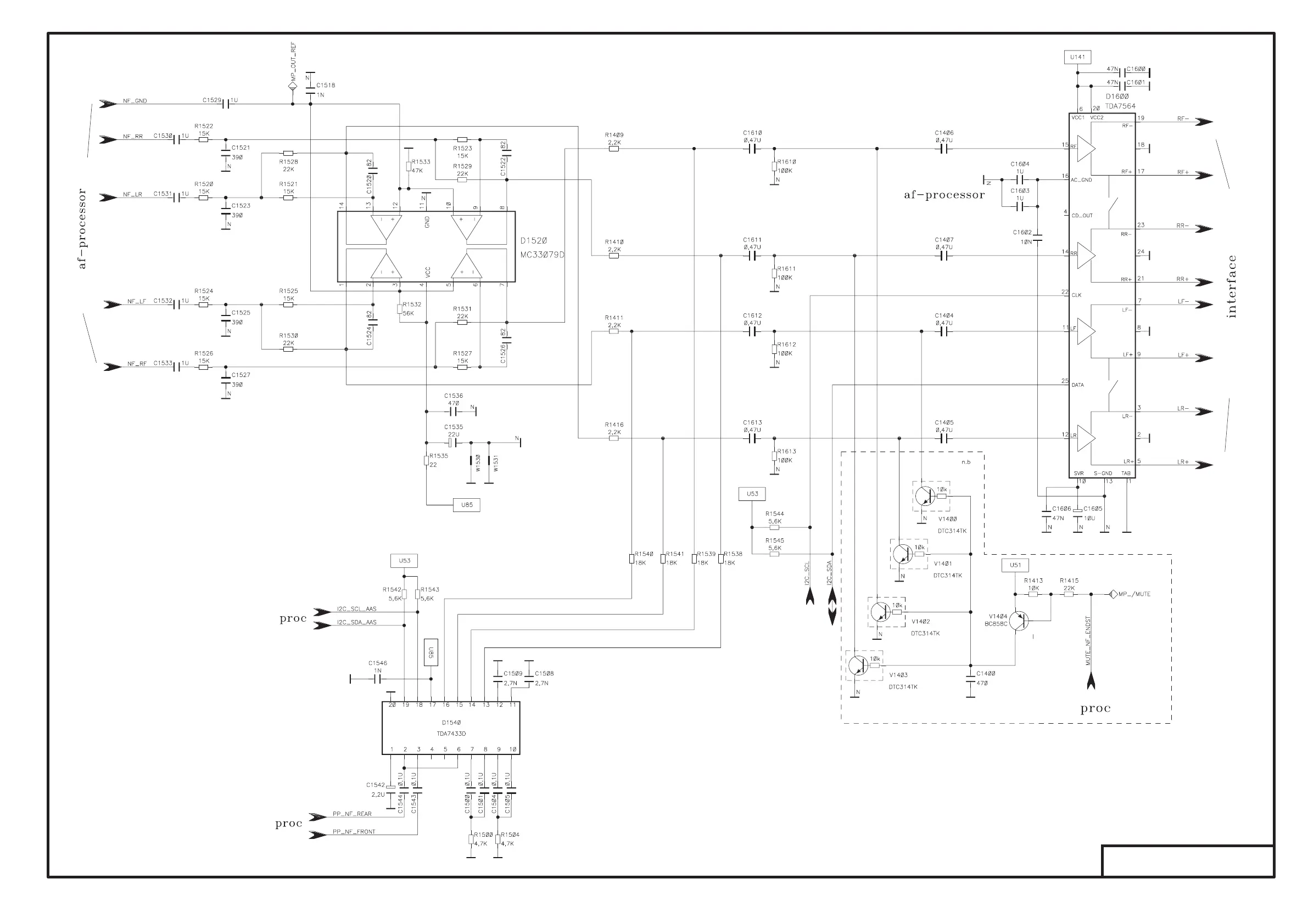
Blaupunkt PSA RD4 LEVEL2 MP3 - AF Output Stage; Endstufe; AF Output Circuit

Blaupunkt PSA RD4 LEVEL2 MP3
13 pages
Print Icon
To Next Page IconTo Next Page
To Next Page IconTo Next Page
To Previous Page IconTo Previous Page
To Previous Page IconTo Previous Page
Loading...
PL 9094 D05
HAUPTPLATTE
MAIN BOARD
Endstufe
AF output

Related product manuals