EasyManua.ls Logo

Blaupunkt PSA RD4 LEVEL2 MP3 - Schnittstelle

Blaupunkt PSA RD4 LEVEL2 MP3
13 pages
Print Icon
To Next Page IconTo Next Page
To Next Page IconTo Next Page
To Previous Page IconTo Previous Page
To Previous Page IconTo Previous Page
Loading...
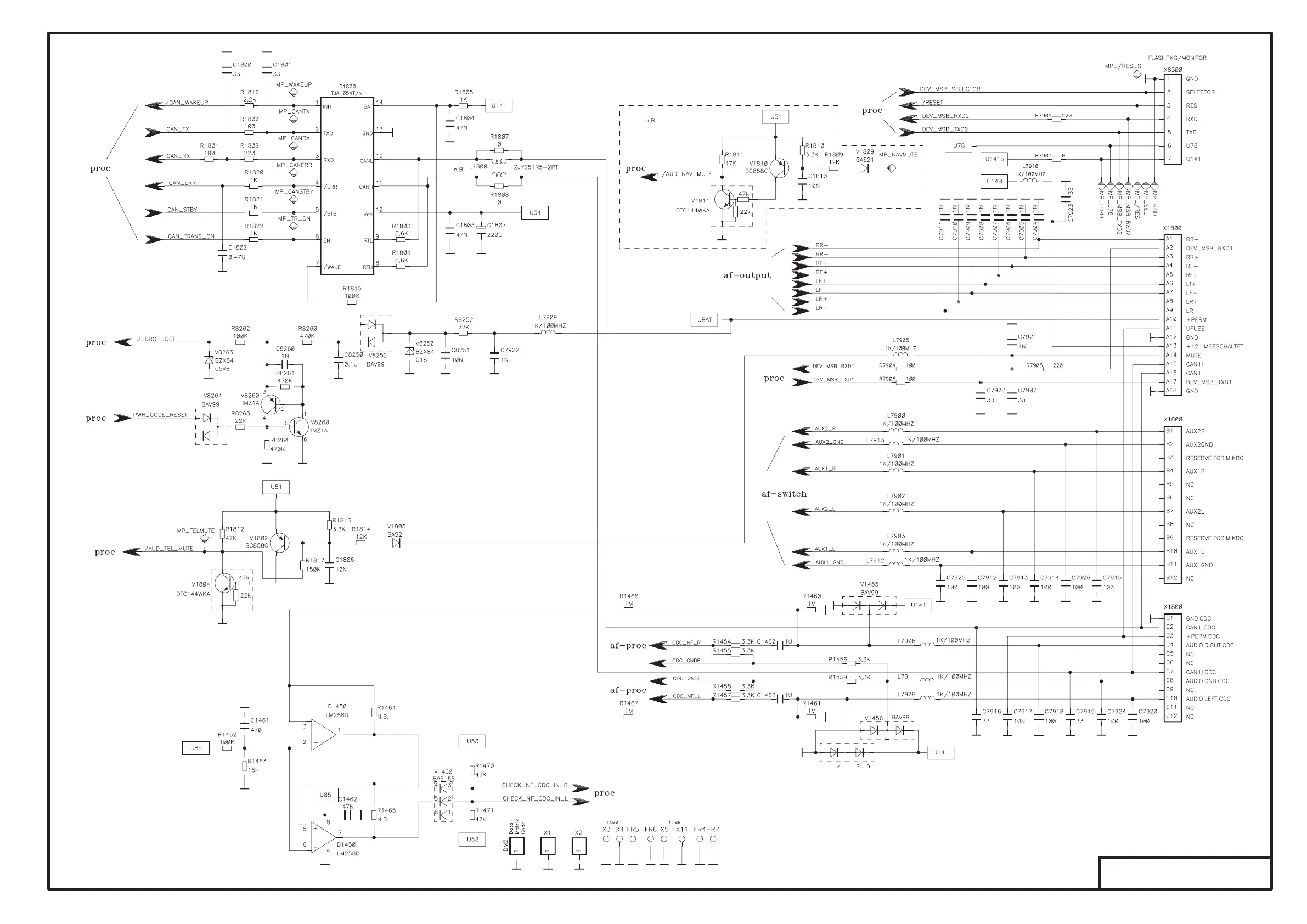
HAUPTPLATTE
MAIN BOARD
Schnittstelle
Interface
PL 9094 D05

Related product manuals