EasyManua.ls Logo

Blease 8500 - Page 53

Default Icon
69 pages
Print Icon
To Next Page IconTo Next Page
To Next Page IconTo Next Page
To Previous Page IconTo Previous Page
To Previous Page IconTo Previous Page
Loading...
1 2 3 4 5 6 7 8
A
B
C
D
87654321
D
C
B
A
Title
Number RevisionSize
A3
Date: 4-Feb-2002 Sheet of
File: \\Cad 3\c\1 JONS ARCHIVE\8500archive\circuit diagrams\10100076-9\10100076.ddbDrawn By:
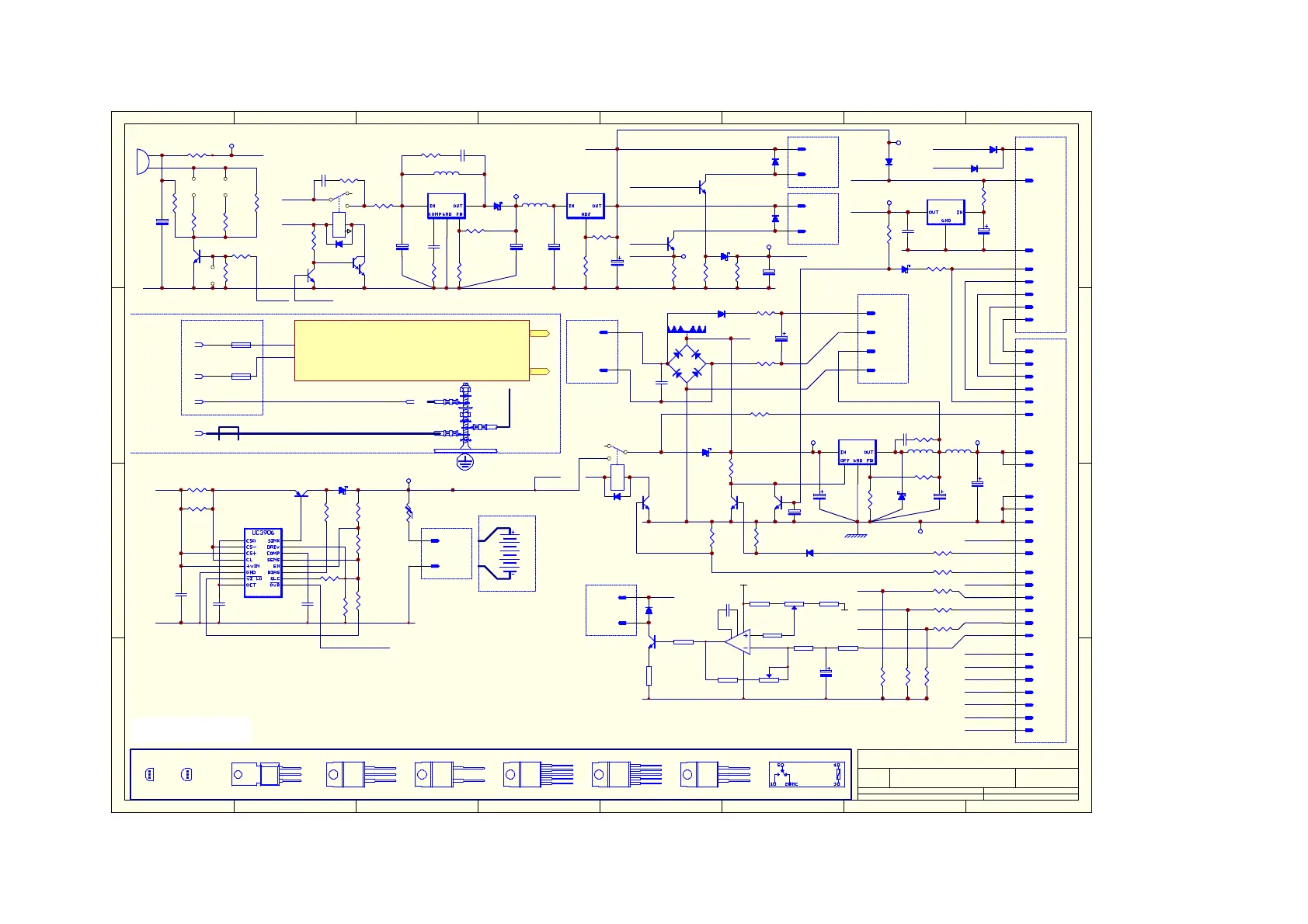
TR1, IC1, IC2, IC4, D1 D2 and D10 are all
mounted on the heatsink
block.
2PL6-2
PLM
1PL6-1
PLM
TR2
MPSA13
L4
1R0
EARTH-TRM3
TR10
ZTX650
D16
IN4448
2PL8-2
1PL8-1
TP4
TP3TP2
TP1
D13
BAT42
TP7
TP6
TP10
TP9
TP5
+29V Min
R38
10K0
TR9
ZTX650
R37
3K32
TP8
RL1
RY6-10-006
24 PL1-24
1
2
3
4
5
6
7
8 9
10
11
12
13
14
15
16
IC3
12 PL1-12
R4
1R00
10 PL1-10
TO202-3P TO220-2P TO220-5P TO220-5P TO220-3P
20 PL1-20
18 PL1-18
7 PL1-7
11 PL1-11
16 PL1-16
13 PL1-13
14 PL1-14
5 PL1-5
R32
100R
C19
10u
D14
1N4002
R31
4K75
R30
10K0LK1
LK2LK3
R29
10K0
R28
2K21
R27
475R
ALM1
TR8
ZTX650
E-LINE
22 PL1-22
23 PL1-23
21 PL1-21
R26
2K21
RN2D
2K2
RN2C
2K2
RN2B
2K2
RN2A
2K2
RN1D
2K2
RN1C
2K2
RN1B
2K2
RN1A
2K2
D5
1N4448
C17
100n
C16
10u
R24
100R
D12
1N4002
D11
1N4002
R16
100R
TR7
ZTX650
TR5
ZTX650
R23
47K5
D10
PBYR745
TR6
ZTX650
C15
10u
R22
1K00
D6
BAT42
R21
1R00
R20
47R5
C14
100n
R19
10R0
9 PL2-9
3 PL2-3
2 PL2-2
2 PL3-2
1 PL3-1
D4
1N4448
1
2
3
45
IC2
LM2577TADJ
9 PL1-9
19 PL1-19
C7
100n
C6
100n
R10
365K
R9
30K1
R8
39K2
R7
110K
D3
BAT49
R6
1K00
R5
1K00
R3
1R00
TR1
TIP30A
C2
2200u
1 2
3
4
5
IC1
LM2576TADJ
D1 C3
470u
L1
220uH
26 PL1-26
15 PL1-15
17 PL1-17
3 PL1-3
1 PL1-1
25 PL1-25
BR1 GBPC802
1
2
REG-SINK
2
1
BAT1
C8
100n
RT1
MFR300
2 PL7-2
1 PL7-1
C5
470u
C9
470U
R33
2K74
C10
220n
R11
2K00
R12
47K5
D2
PBYR745
L5
220uH
C1
100n
R13
2K00
R14
7K87
R15
10K0
L2
100uH
C4
12u
L3
100uH
C11
10u
3 2
1
IC4
LM317AT
R17
4K75
R18
240R
C13
10u
TR3
ZTX650
TR4
ZTX650
1 PL4-1
2 PL4-2
1 PL5-1
2 PL5-2
D7
IN4002
D8
IN4002
D9
1N4448
13
2
IC5
LM341P5
C12
10u
1 PL2-1
3 PL3-3
4 PL3-4
R1
1K50
R2
1K50
D15
1N4002
C18
10u
4 PL2-4
6 PL2-6
8 PL2-8
10 PL2-10
2 PL1-2
4 PL1-4
6 PL1-6
8 PL1-8
R25
475R
TO220-3P
RL2
RY6-10-006
R34
100R
R35
1K00
C20
1n
C21
1n
R36
1K00
1
CHASSIS
RELAY-8A
TO92
4
T1A
T1A
Battery
ICCFLW
ICCSOL
ALMSIG
ALM+5V
+24V
+25V
VBAT
ON-LEK
ON-FLW
ON-SOL
ON-24V
SBAT
ON-BAT
ON-PSU
/OVRCH
GND
GND
GND
+6V
+6V
SWBAT
OFFLOW
/AD-ON
/AD-ST
/PD-ST
/PD-ON
/PD-ON
/PD-ST
/AD-ST
/AD-ON
OFFLOW
GND
SW-POL
SW-WAF
GND
+6V
LED-
LED+
DRIVE
DRIVE
+24V
+24V
to
BATT-
BATT+
OUT
+24V
CHASSIS
Sec
Sec
3W
101CD076
+24V
controller
Transition
Vol
Alarm
/OVRCH
/OVRCH
2W5
CHASSIS
SCHRACK RY6-10-006
RL1&2 Top View
IN
GND
OUT
GND TOP VIEW
LM341P5
ICCFLW
ICCSOL
ALMSIG
ALM+5V
+24V
+25V
VBAT
SBAT
SBAT
GND
+
ALMSIG
SBAT
BASE
C
B
E
ZTX650
CMP
TOP VIEW
LM2577T-ADJ
GND
GND
FB
OUT
IN
GND
ON-FLW
ON-SOL
ON-24V
+25V
VBAT
VBAT +6V
ICCFLWICCSOL
+
+24V
ON-24V
ON-SOL
ON-FLW
MODE SW
+6V
+25V
160R
NC
TIP30A
TOP VIEW
A
K
PBYR745
TOP VIEWK
IN
OUT
OFF
FB
GND
GND
LM2576T-ADJ
TOP VIEW
LM317AT
TOP VIEWOUT
OUT
ADJ
IN
745
PBYR
9
B.A.V. POWER SUPPLY
1 1
A.J.W./A.A
o
14 C/W
MAINS
MAINS
MAINS
LIVE
NEUTRAL
EARTH
GRN/YEL
+25V
GND
12V
I=
5.1A
3.0A
E
C
C
B
BATT CHARGER
DEVICE PINOUTS
+ +
+6V
+25V
GND
+
Flow Valve
Dump Valve
2 A/Hr
NC
160R
ALM+5V
GND
+
FRONT PNL
17-35V Mains
9-14V Batt
MAINS INLET BLOCK
BASE
MPSA13
E
B
C
EQUI-
POTENTIAL
GRN/YEL
L
N
E
1
E
(+26V)
80200000
10100080
IC6
CA3130E
C22
10µF
VR1
5K
R46
10K
R42
12K
PEEP Valve
R43
1K
R44
220R
R45
220R
VR2
1K
+6V
GND
C23
33P
1
2
3
4
6
7
8
R41
47R5
R40
12K
R39
12K
SWITCH MODE POWER SUPPLY
LPS45-M
-4V
25V
0V