EasyManua.ls Logo

Blease 8500 - Page 54

Default Icon
69 pages
Print Icon
To Next Page IconTo Next Page
To Next Page IconTo Next Page
To Previous Page IconTo Previous Page
To Previous Page IconTo Previous Page
Loading...
1 2 3 4 5 6
A
B
C
D
654321
D
C
B
A
Title
Number RevisionSize
B
Date: 4-Feb-2002 Sheet of
File: \\Cad 3\c\1 JONS ARCHIVE\8500archive\circuit diagrams\10110077-4\10110077-4.DDBDrawn By:
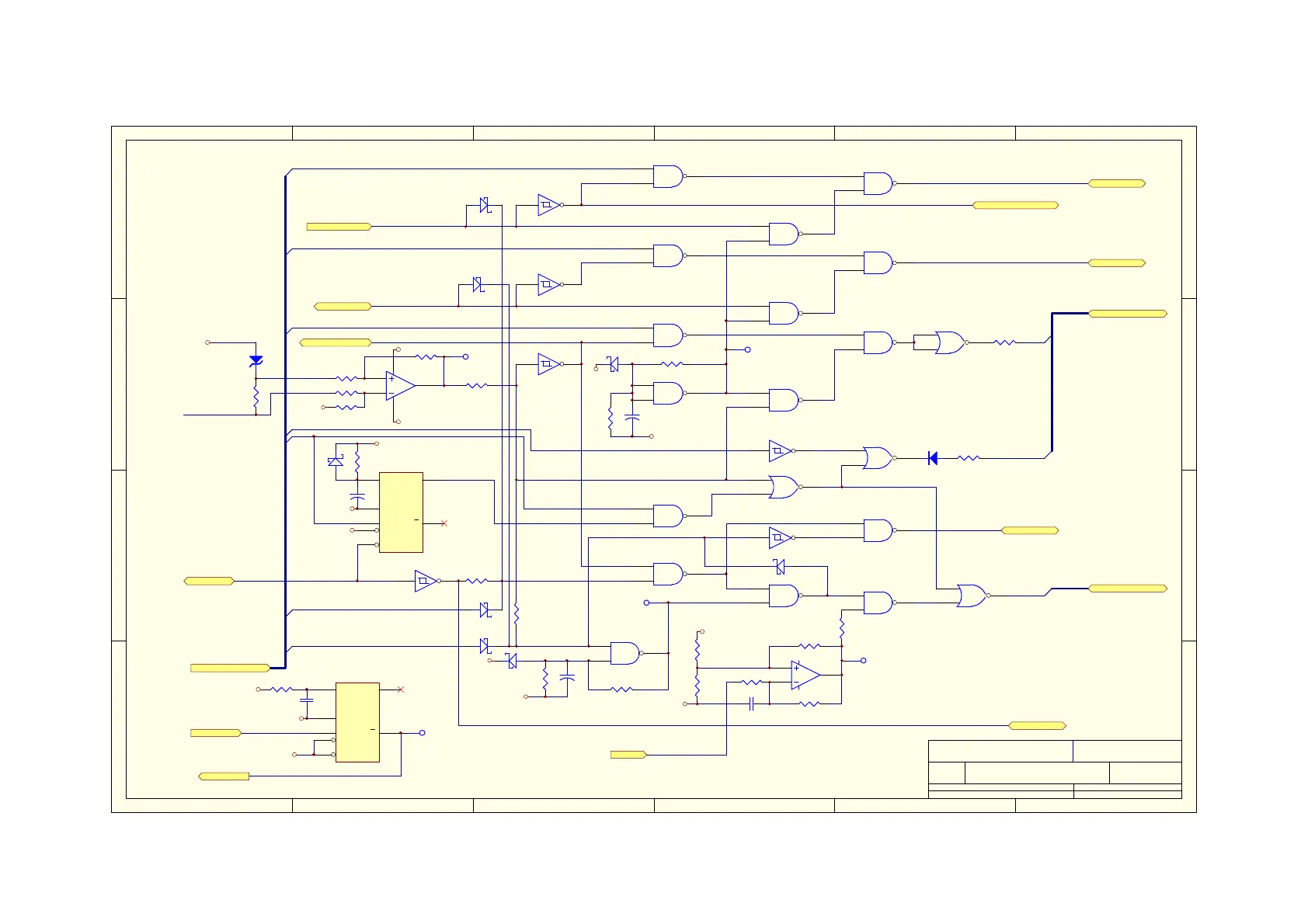
ALARM[1..7]
RC
2
C
1
A
4
B
5
CLR
3
Q
6
Q
7
U34A
MC74HC4538AD
1
2
3
U51A
MC74HC132AD
4
5
6
U51B
MC74HC132AD
8
9
10
U51C
MC74HC132AD
11
12
13
U51D
MC74HC132AD
1
2
3
U54A
MC74HC132AD
4
5
6
U52B
MC74HC132AD
8
9
10
U52C
MC74HC132AD
11
12
13
U52D
MC74HC132AD
1
2
3
U53A
MC74HC132AD
4
5
6
U53B
MC74HC132AD
8
9
10
U53C
MC74HC132AD
11
12
13
U53D
MC74HC132AD
1
2
3
U52A
MC74HC132AD
4
5
6
U54B
MC74HC132AD
1011
U42E
MC74HC14AD
RESET
INODSP
D15
BAR42
D16
BAR42
ALARM1 Pulse Audio
ALARM2 Continuous Audio
D17
BAR42
1213
U42F
MC74HC14AD
PRS_OVRLD
Pressure High DisplayALARM7
ALARM6
D18
BAR42
1 2
U42A
MC74HC14AD
APNOEA
3 4
U42B
MC74HC14AD
+
C19
2u2 63V
GND
1
TP9
TPOINT
ALARM5
/PWR_FAIL
5 6
U42C
MC74HC14AD
ALARM4
Pressure Low Display
Power Fail LED
Mute LED
1
2
3
U40A
MC74HC02D
ALARM3 Mute Audio
+
C20
100u 25V
GND
D19
BAR42
VCC
VCC
3
2
1
84
U32A
LMC662CM
+5VALM
GND
GND
GND
+
C21
2u2 63V
1
TP10
TPOINT
89
U42D
MC74HC14AD
8
9
10
U54C
MC74HC132AD
11
12
13
U54D
MC74HC132AD
4
5
6
U40B
MC74HC02D
8
9
10
U40C
MC74HC02D
11
12
13
U40D
MC74HC02D
D21
BAR42
+5VALM
GND
D22
BAR42
5
6
7
U32B
LMC662CM
+5VALM
GND
15Hz
1
TP11
TPOINT
RC
14
C
15
A
12
B
11
CLR
13
Q
10
Q
9
U34B
MC74HC4538AD
CLRBAK
VCC
ALMCLR
VCC
GND
1
TP12
TPOINT
OVERLOAD_INT
PHIDSP
PL2[1..50]
COMALM
PLODSP
PL1[1..26]
PL244
PL243
PL2[1..50]
PL17
PL1[1..26]
ALARM[1..7]
R69
62K
R70
10K
R71
68K
R72
47K
R73
160K
R74
100R
R75
2M2
R76
100K
C36
10n
R77
47K
R78
47K
R79
560K
R80
470K
R81
100K
R82
100K
R83
10M0
R84
100K
R85
100K
C37
6n8
R86
1K0
R87
560K
R88
470K
R89
0R0
D25
BAS16
REF1
LT1004CZ12
D20
BAR42
+5VALM
1
TP18
TPOINT
R15
390R
PL113 +25V
BAV CONTROLLER TYPE 2 ALARMS
10110077 4
NOT FITTED