EasyManua.ls Logo

Blue Summit BLUERIDGE BE5C - Page 14

Blue Summit BLUERIDGE BE5C
22 pages
Print Icon
To Next Page IconTo Next Page
To Next Page IconTo Next Page
To Previous Page IconTo Previous Page
To Previous Page IconTo Previous Page
Loading...
507787B02Issue 2336Page 14 of 22
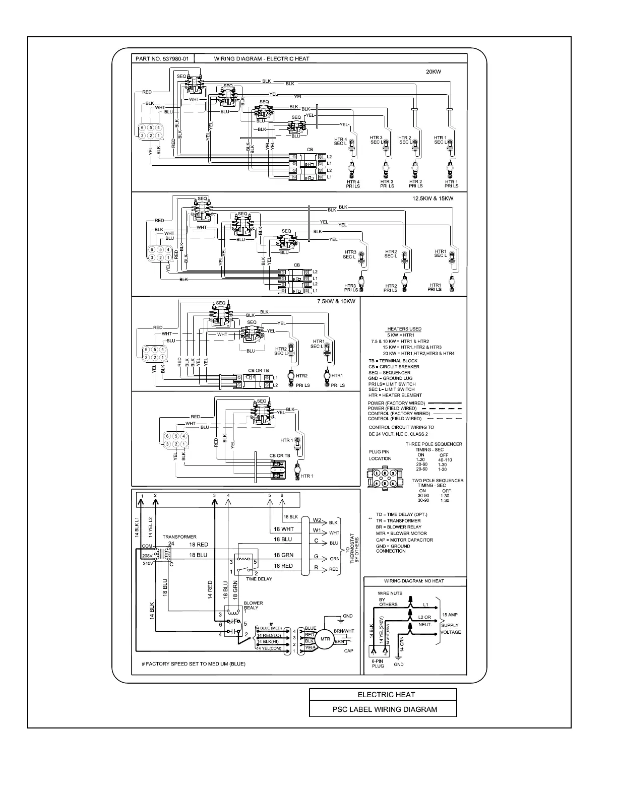
4KW & 5KW
Figure 16. Typical Wiring Diagram – BE5C Air Handler with Electric Heat – PSC
(018, 024, 030, 036, 042 models)