EasyManua.ls Logo

Blueridge BA13 - Wiring Diagram - Multi-Speed Condenser Fan

Default Icon
19 pages
Print Icon
To Next Page IconTo Next Page
To Next Page IconTo Next Page
To Previous Page IconTo Previous Page
To Previous Page IconTo Previous Page
Loading...
508255-01 Page 17 of 19Issue 2212
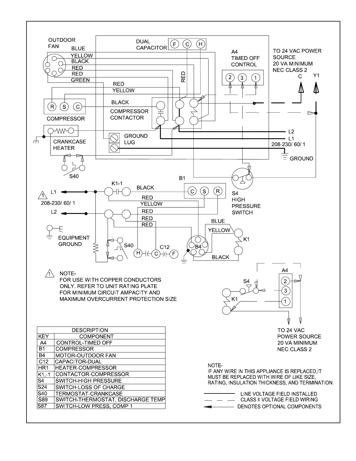
Figure 10. 4AC13/14/16 Wiring Diagram (Multi-Speed Condenser Fan)

Related product manuals