EasyManua.ls Logo

Bluetti EP500 Pro - Page 12

Bluetti EP500 Pro
17 pages
Print Icon
To Next Page IconTo Next Page
To Next Page IconTo Next Page
To Previous Page IconTo Previous Page
To Previous Page IconTo Previous Page
Loading...
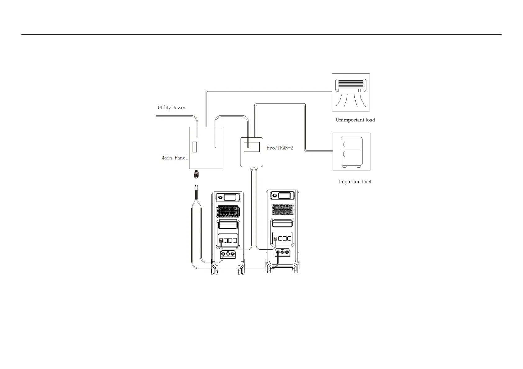
How to connect the EP500 Pro to the US utility power
12
If you didn’t purchase the FUSION BOX, Please installed by the electrician refer to the example as below:

Related product manuals