EasyManua.ls Logo

BMM Heaters BMG - Heater Installation; Clearances and Positioning

Default Icon
42 pages
Print Icon
To Next Page IconTo Next Page
To Next Page IconTo Next Page
To Previous Page IconTo Previous Page
To Previous Page IconTo Previous Page
Loading...
Section 5: Heater Installation
Before installation, check that the local distribution conditions, nature of gas
pressure and adjustment of the appliance are compatible.
The air heater must be installed in accordance with the rules in force and the
relevant requirements of any fire regulations or insurance company’s requirements
appertaining to the area in which the heater is located, particularly where special
risks are involved, such as areas where petrol vehicles are housed, where cellulose
spraying is carried out, in wood working departments etc.
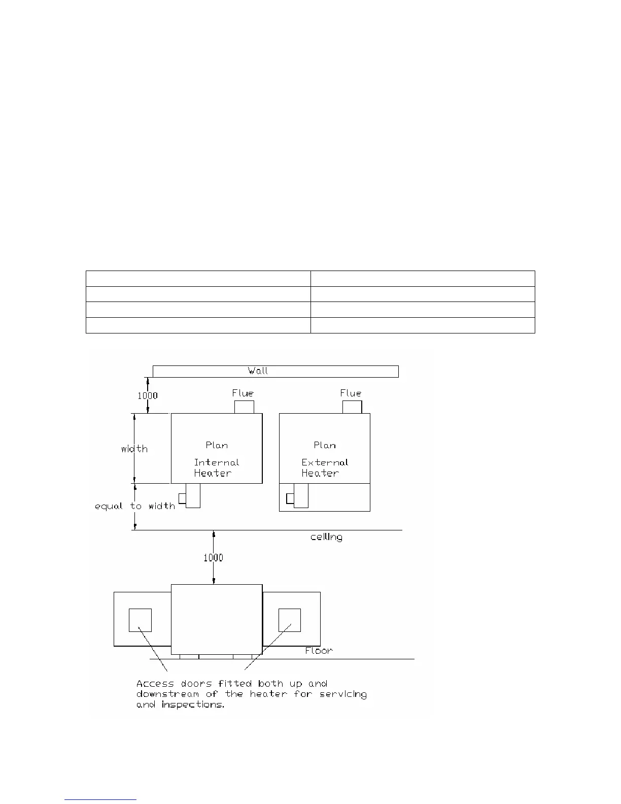
Clearances and Positioning:
The following clearances for installation and servicing must be observed.
To the front Equal to the depth of the heater.
To the rear 1.0m
To at least one side 1.0m
Above the heater 1.0m
Clearances fig.1
7