EasyManua.ls Logo

BMW E36 Coupe - Page 92

BMW E36 Coupe
383 pages
Print Icon
To Next Page IconTo Next Page
To Next Page IconTo Next Page
To Previous Page IconTo Previous Page
To Previous Page IconTo Previous Page
Loading...
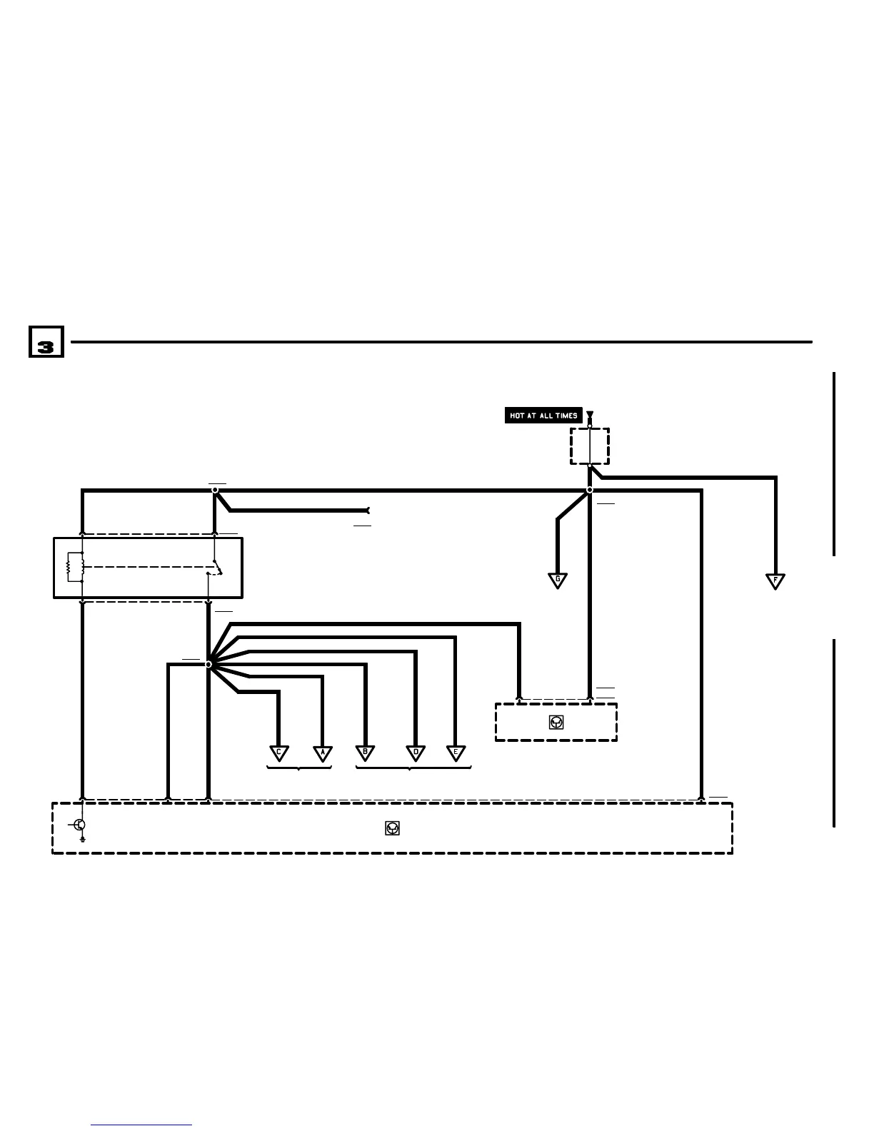
ENGINE CONTROL SYSTEM MS41.1 (6CYLINDER M52)
BMW
BMW
BMWBMW
X6300
POWER
03/00
1210.17Ć
1999
00
4
8
.5 RT
4 RT/WS
.5 RT/WS.5 BR
4 RT
4 RT
6 X6300
73 54
26 X6000
26
X7000
X6821
2
K6300
ENGINE CONTROL
MODULE RELAY
G6430
B+ JUMP START
JUNCTION POINT
A6000
ENGINE CONTROL
MODULE (DME)
86
85
30
87
.5 RT/WS
1.5 RT/WS
A8500
TRANSMISSION
CONTROL MODULE
(EGS)
A7000
TRANSMISSION
CONTROL MODULE
(EGS)
1 RT
POWER
DISTRIBUTION
0670.2
54
1210.17-04
1.5 RT/WS
1 RT/WS.5 RT/WS 2.5 RT/WS
1210.17-01
4 RT
X6412
1210.17-04
.5 RT/WS
87
2.5 RT
14
X6002
D100
DATA LINK
CONNECTOR
1.5 RT
X6411
31
6 RT
2.5 RT
1210.17-02
X8500