EasyManua.ls Logo

BMW E46 - Page 11

BMW E46
40 pages
Print Icon
To Next Page IconTo Next Page
To Next Page IconTo Next Page
To Previous Page IconTo Previous Page
To Previous Page IconTo Previous Page
Loading...
11
E46 Climate Control
System Operation
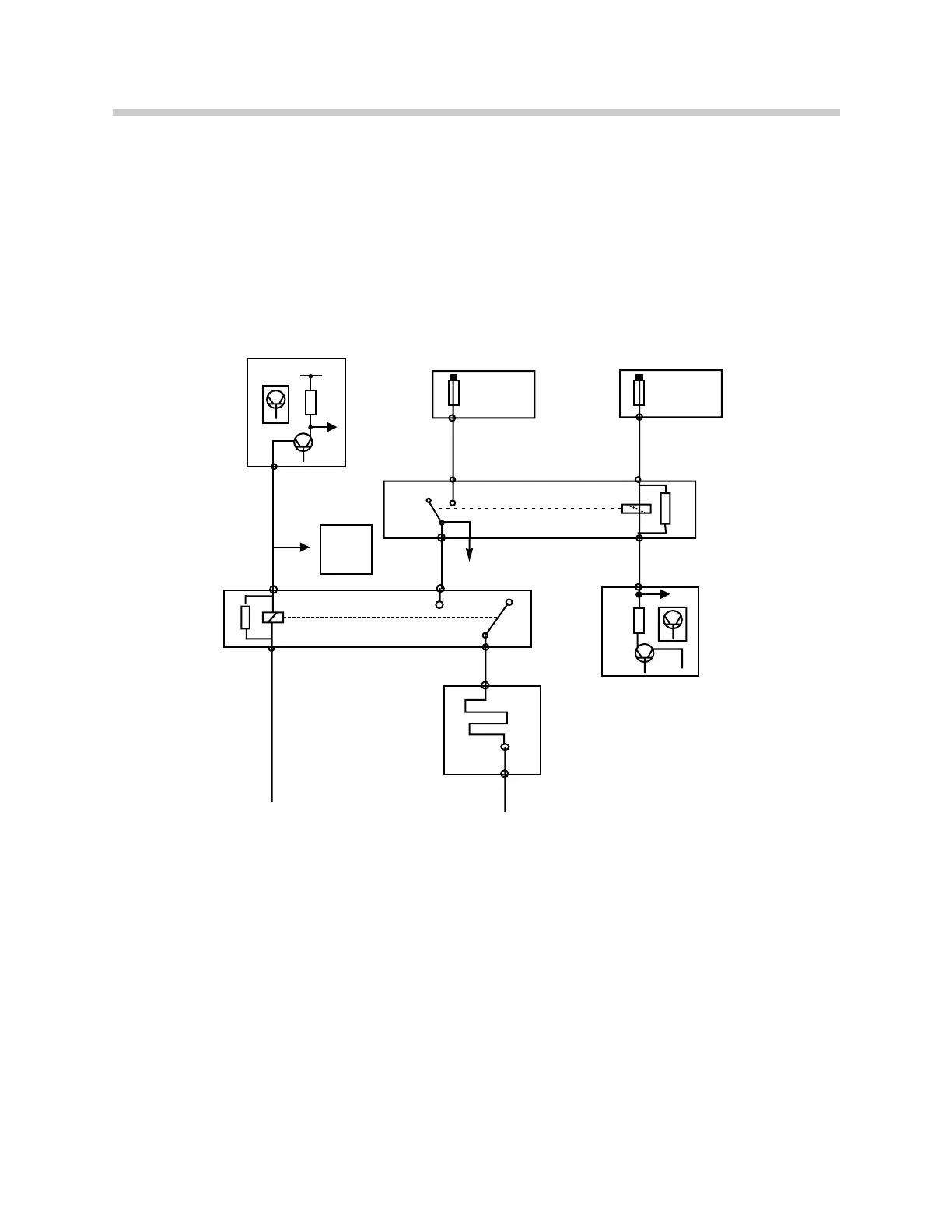
The rear defroster operation is a function of the IHKA system, with the control module
responsible for switching the system ON/OFF. Two rear defrosted grids are used, one
installed in the soft top rear glass and the other in the optional hard top rear glass.
When the button is pressed on the IHKA control panel, Relay K-13 is energized. If the hard
top is installed, power is supplied to the grid through the connector strip on the hard top
lock.
Relay K-13 also supplies KL 30 to relay K-99 when the button is pressed on the IHKA con-
trol panel. Relay K-99 is energized when KL R is switched ON and the soft top is closed
and locked to the windshield frame. This allows the grid in the soft top window to be heat-
ed. When the soft top is lowered, KL R to relay K-99 is interrupted by the CVM to prevent
the grid from heating when the top is lowered into the storage compartment.
30
30
15
31
61E46DEFROSTER0200
KL 31
CVM
Top Closed and
locked to frame.
12V
Open and
unlocked.
0V
K-13
Rear window
defogger relay
(for hard top).
Audio
Amp.
IHKA
Control Unit
Rear window
defroster grid
To hard top rear
window contact.
K-99
Rear window
defogger relay.

Other manuals for BMW E46

Related product manuals