EasyManua.ls Logo

BMW G14 - Page 34

BMW G14
50 pages
Print Icon
To Next Page IconTo Next Page
To Next Page IconTo Next Page
To Previous Page IconTo Previous Page
To Previous Page IconTo Previous Page
Loading...
G14�Complete�Vehicle
6.�Soft�Top

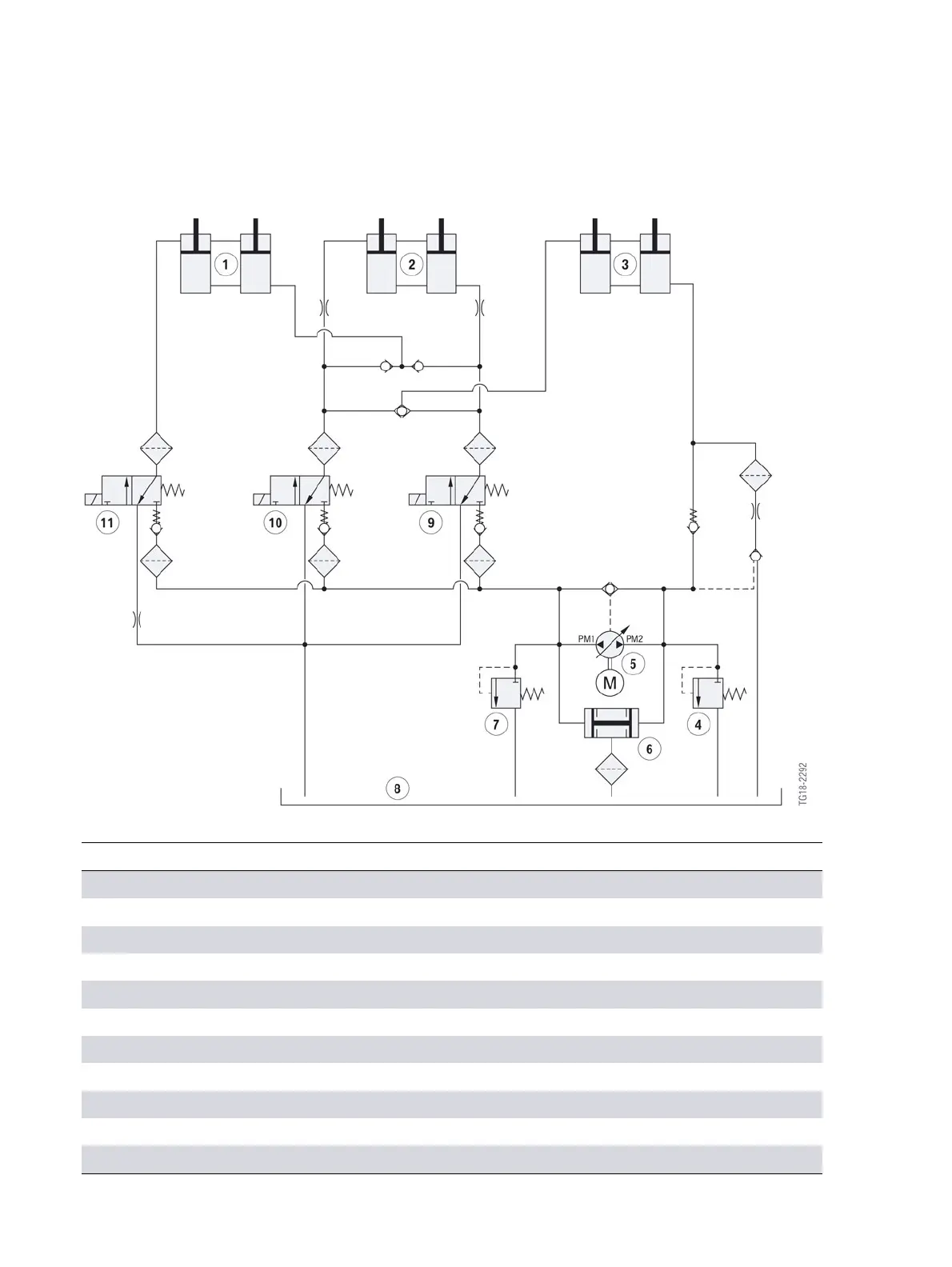
System�schematic,�convertible�top�hydraulics

Index Explanation









 
 

Related product manuals