EasyManua.ls Logo

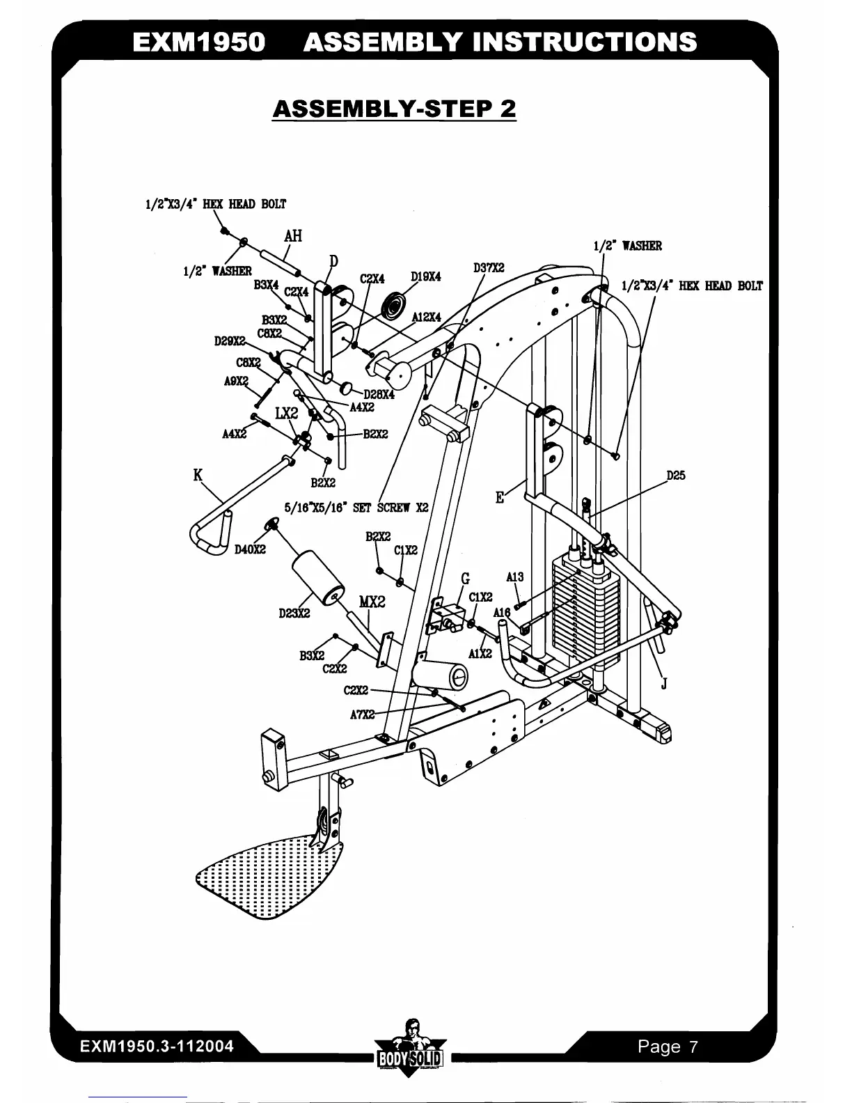
Body Solid EXM1950 - Assembly-Step 2

Body Solid EXM1950
13 pages
Print Icon
To Next Page IconTo Next Page
To Next Page IconTo Next Page
To Previous Page IconTo Previous Page
To Previous Page IconTo Previous Page
Loading...
ASSEMBLY-STEP
2

Related product manuals