EasyManua.ls Logo

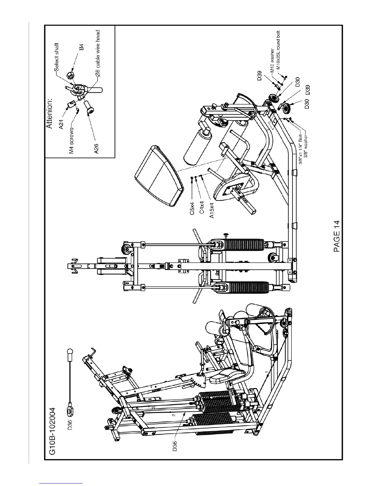
Body Solid G10B - Assembly Diagram: Final Connections and Attention Points

Body Solid G10B
16 pages
Print Icon
To Previous Page IconTo Previous Page
To Previous Page IconTo Previous Page
Loading...

Other manuals for Body Solid G10B

Related product manuals