EasyManua.ls Logo

Boeing 747 - Page 64

Boeing 747
96 pages
Print Icon
To Next Page IconTo Next Page
To Next Page IconTo Next Page
To Previous Page IconTo Previous Page
To Previous Page IconTo Previous Page
Loading...
(5)
0.2
0.80(20)
0.769
(19.53)
0.743
(18.87)
0.712
(18.08)
0.644
(16.35)
A
6
2
0.10(2.5)
1
3
YDNDT-D-54-0042(MOD)
A
______
MILLIMETERS___________
INCHES
X.XX
=
±
0.025
X.XXX
=
+0.000/-0.005
X.X
=
±
0.5
X.XX
=
+0.00/-0.1
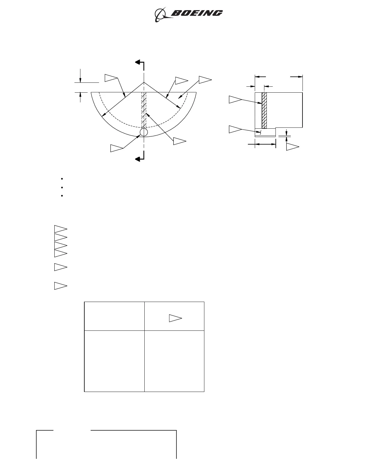
TRANSDUCER
GUIDE INNER
RADIUS,
SEE THE
TABLE BELOW
SET
SCREW
-
SIZE 6/32 INCH
TRANSDUCER
HOLE
-
THE
DIAMETER
OF
THE
HOLE MUST
BE
0.001
(0.02)
LARGER
THAN
THE
DIAMETER
OF
THE
TRANSDUCER
-
HOLE
DIAMETER
0.192
(4.87)
GRIND
OR
ETCH
THE
TRANSDUCER
GUIDE
NUMBER,
SEE THE
TABLE BELOW
TRANSDUCER
GUIDE OUTER
RADIUS
-
0.930(23.60)
1
4
5
6
3
2
2
4
TOLERANCES
(UNLESS
SPECIFIED
DIFFERENTLY):
______NOTES:
ALL
DIMENSIONS
ARE
IN
INCHES
(MILLIMETERS
ARE
IN
PARENTHESES)
MATERIAL:
LUCITE,
PLEXIGLASS
OR
EQUIVALENT
INNER
RADIUS
NDT4109-G1
NDT4109-G2
NDT4108/9-G3
NDT4108/9-G4
TRANSDUCER
GUIDE
NUMBER
SEE
TABLE
1
FOR THE
TRANSDUCER
DIAMETER.
THE
0.192
(4.87)
TRANSDUCER
HOLE MUST
BE
LOCATED
0.002
(0.05)
TO
0.003
(0.07)
FROM
THE
OUTER
RADIUS
OF
THE
TRANSDUCER
GUIDE.
3
A-A
5
0.40(10)
4
2131049 S0000459179_V1
Upper Link Transducer Guide
Figure 3
747
NONDESTRUCTIVE TEST MANUAL
PART 4 54-30-08
Page 8
Nov 15/2015D6-7170
ECCN 9E991 BOEING PROPRIETARY - Copyright © Unpublished Work - See title page for details
EFFECTIVITY
ALL

Other manuals for Boeing 747

Related product manuals