EasyManua.ls Logo

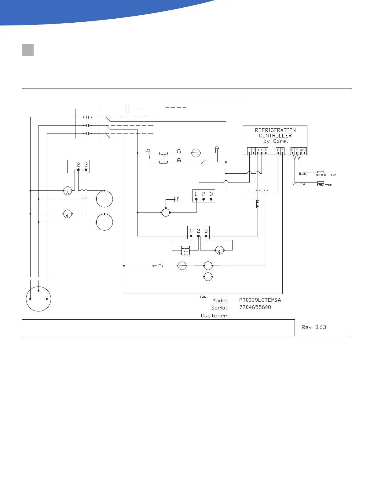
Bohn PRO3 - Electrical Wiring Diagrams - P3 Cabinet; Electric Defrost - Three Phase

Bohn PRO3
32 pages
Print Icon
To Next Page IconTo Next Page
To Next Page IconTo Next Page
To Previous Page IconTo Previous Page
To Previous Page IconTo Previous Page
Loading...
PRO
3
TOP MOUNT PACKAGED REFRIGERATION SYSTEM
26
ELECTRICAL WIRING DIAGRAMS
ELECTRIC DEFROST SYSTEMS  THREE PHASE  P3 CABINET
RT -- ROOM THERMOSTAT
CFM -- CONDENSER FAN MOTOR
CC -- COMPRESSOR CONTACTOR
EFM -- EVAPORATOR FAN MOTOR
LEGEND
HL -- HEATER LIMIT THERMOSTAT
DH -- DEFROST HEATER
GND -- GROUND
RC -- RUN CAPACITOR
SR -- START RELAY
USE COPPER CONDUCTORS ONLY
NOT
FACTORY WIRING
FIELD WIRING
(WHEN PLUG
PROVIDED)
SC -- START CAPACITOR
HPS -- HIGH PRESSURE SWITCH
PRIMARY SINGLE PHASE PROTECTION PROVIDEDPRIMARY SINGLE PHASE PROTECTION PROVIDED
CCH -- CRANKCASE HEATER
PFC -- PRESSURE FAN CYCLE SWITCH
DLT -- DRAIN LINE THERMOSTAT
DLH -- DRAIN LINE HEATER
TFC -- TEMPERATURE FAN CYCLE SWITCH
WN -- WIRE NUT
SW -- SWITCH
EFM
7
1
RED
RELAY R1
EFM
7
1
RED
RELAY R1
HPS
COMPRESSOR
L1
L3
L2
1
2
3
L1T1
CC
L2T2
L3T3
208-230V/3ø/60HZ
GND
BLUE
CFM
CFM
TB1
TFC
PFC
L1
T1
BLUE
BLACK
WHITE
WHITE
RED
BLACK
RED
BLACK
BLUE
BLACK
CC
HL
WHITE
BLUE
BLUE
SW
DH
RED
YELLOW
ORANGE
YELLOW
YELLOW
BLACK
BLUE
YELLOW
YELLOW
BLACK
BLACK
R1A
B
ORANGE
BROWN
TB2
YELLOW
TB1
BLACK
BLACK
YELLOW
CCH
BLACK BLACK
GRAY
BLUE
WN
BLACK
GRAY
DLH
WN
BLACK
DLT
WN
WN
BLACK
RELAY R1
BLACK
9
3