EasyManua.ls Logo

Boltek EFM-100 - Figure 16: Field Mill Grounding Detail

Boltek EFM-100
46 pages
Print Icon
To Next Page IconTo Next Page
To Next Page IconTo Next Page
To Previous Page IconTo Previous Page
To Previous Page IconTo Previous Page
Loading...
C H A P T E R 2 - I N S T A L L A T I O N
16
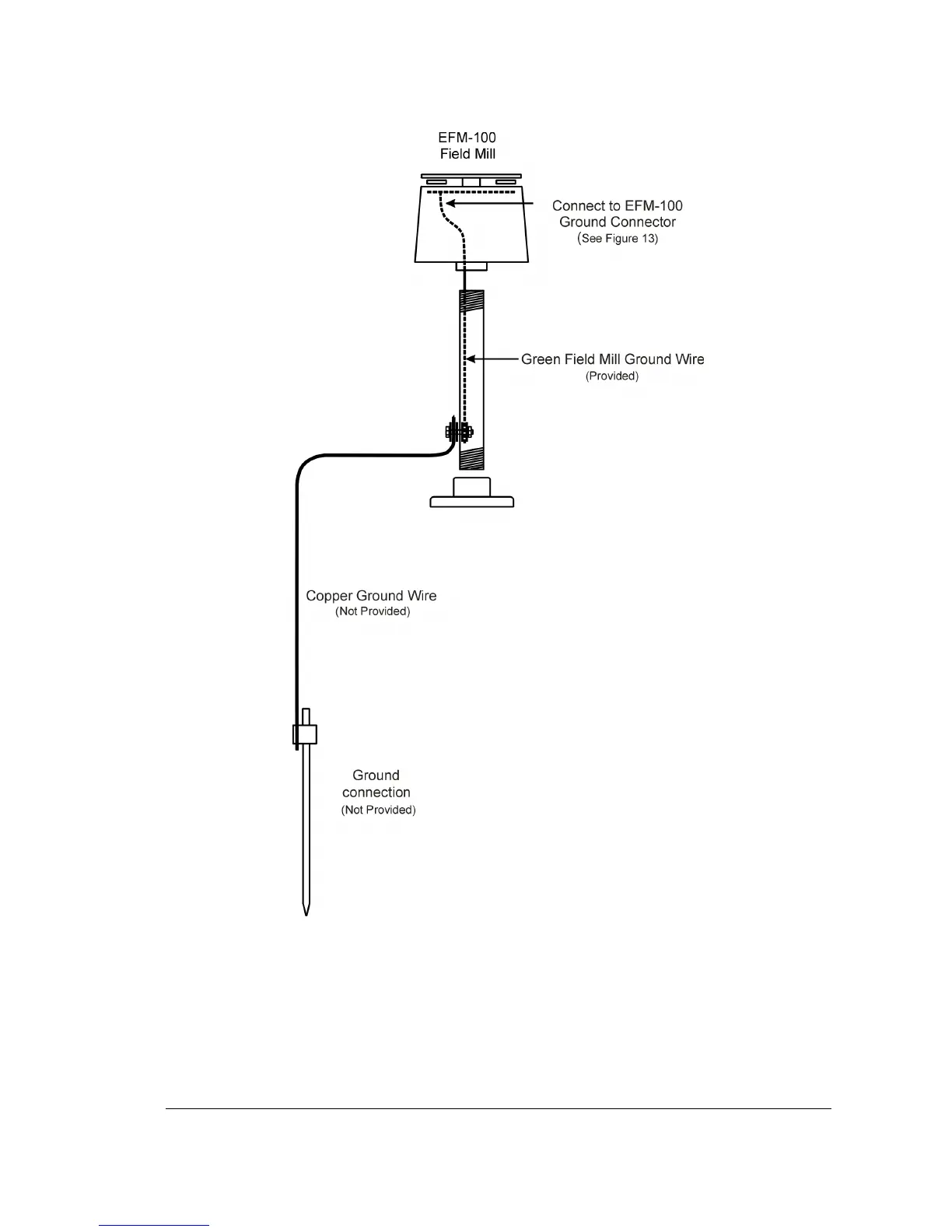
Figure 16: Field Mill Grounding Detail

Table of Contents