EasyManua.ls Logo

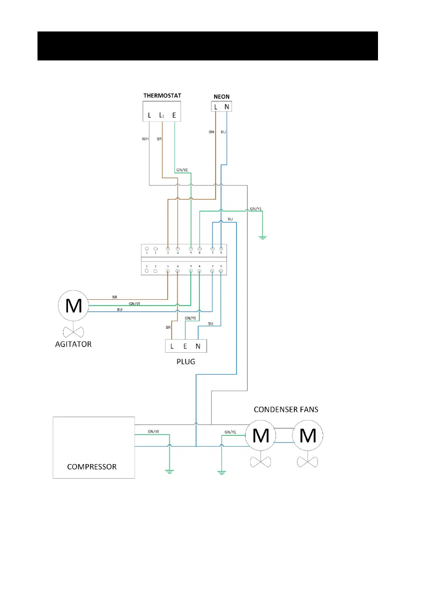
Booth BAR3 - Mechanical Wiring Schematic; BAR3 H & BAR300 Mechanical Wiring Diagram

Default Icon
12 pages
Print Icon
To Next Page IconTo Next Page
To Next Page IconTo Next Page
To Previous Page IconTo Previous Page
To Previous Page IconTo Previous Page
Loading...
BAR3H & BAR300 Mechanical Wiring Schematic
Schematic

Related product manuals