EasyManua.ls Logo

Bosch 1210ES - Booster Applications

Bosch 1210ES
107 pages
Print Icon
To Next Page IconTo Next Page
To Next Page IconTo Next Page
To Previous Page IconTo Previous Page
To Previous Page IconTo Previous Page
Loading...
Applications Manual THERM/GREENTHERM Tankless Water Heaters | 27
Bosch Thermotechnology Corp.
Data subject to change
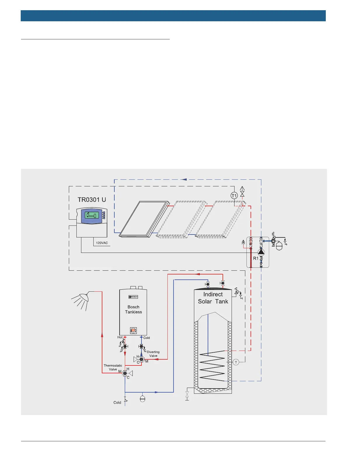
11.1 Booster applications
11.1.1 Solar DHW system with gas tankless water heater
booster
The tankless water heater only runs when solar water
needs a boost. See applicable models listed in the figure
below.
f Thermostatic valve 1 ensures that warm solar water
bypasses the water heater and directs cooler water
through the appliance when boosting is needed.
f Thermostatic valve 2 acts as a tempering valve that
brings potentially hot water temperatures down to a
level that is safe for the inhabitants
Applicable models: Bosch 830 ES, 940 ES, 940 ESO,
C 950 ES, C 1050 ES, C 1210 ES.
System parameters:
f Honeywell AM101 Thermostatic Valves required for
proper operation;
f Remove check valves from Thermostatic Valve 1 as it is
used as a diverter valve;
f Thermostatic Valve 2 is a tempering valve;
f Recommended setpoint 120°F for both Valves;
f Set tankless water heater temperature to 140° F

Table of Contents

Other manuals for Bosch 1210ES

Related product manuals