EasyManua.ls Logo

Bosch 1210ES - 12 Commercial Solar Applications

Bosch 1210ES
107 pages
Print Icon
To Next Page IconTo Next Page
To Next Page IconTo Next Page
To Previous Page IconTo Previous Page
To Previous Page IconTo Previous Page
Loading...
Applications Manual THERM/GREENTHERM Tankless Water Heaters | 29
Bosch Thermotechnology Corp.
Data subject to change
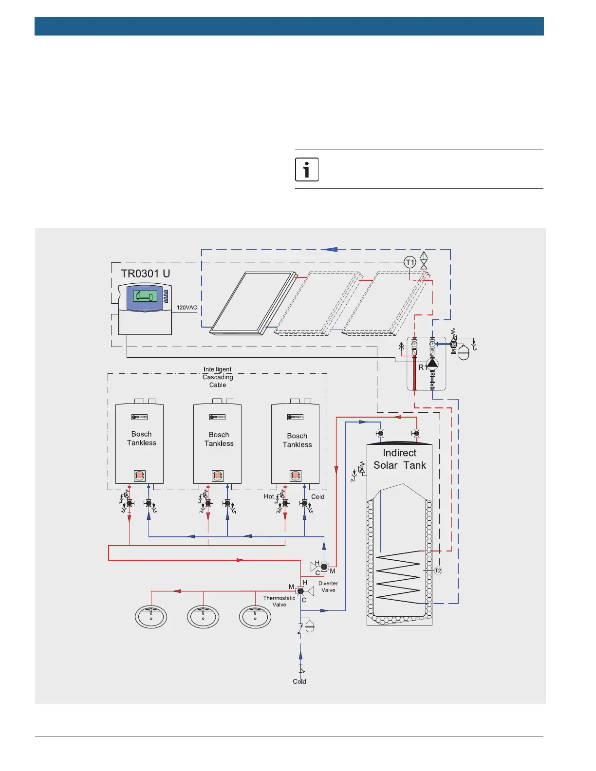
12 Commercial Solar Applications
Introduction
This section provides a general overview for commercial
hot water systems in conjuction with solar water heating
(e.g. schools,  tness centers). For additional system
details, consult the Bosch Solar Technical Guide.
Applicable models: Bosch 830 ES, 940 ES, 940 ESO,
C 950 ES, C 1050 ES, C 1210 ES.
System parameters:
f Honeywell AM101 Thermostatic Valves required for
proper operation;
See Chapter 5.2 for recirculation pump parameters

Table of Contents

Other manuals for Bosch 1210ES

Related product manuals