EasyManua.ls Logo

Bosch C 950 ES - Page 34

Bosch C 950 ES
72 pages
Print Icon
To Next Page IconTo Next Page
To Next Page IconTo Next Page
To Previous Page IconTo Previous Page
To Previous Page IconTo Previous Page
Loading...
6 720 646 812
34
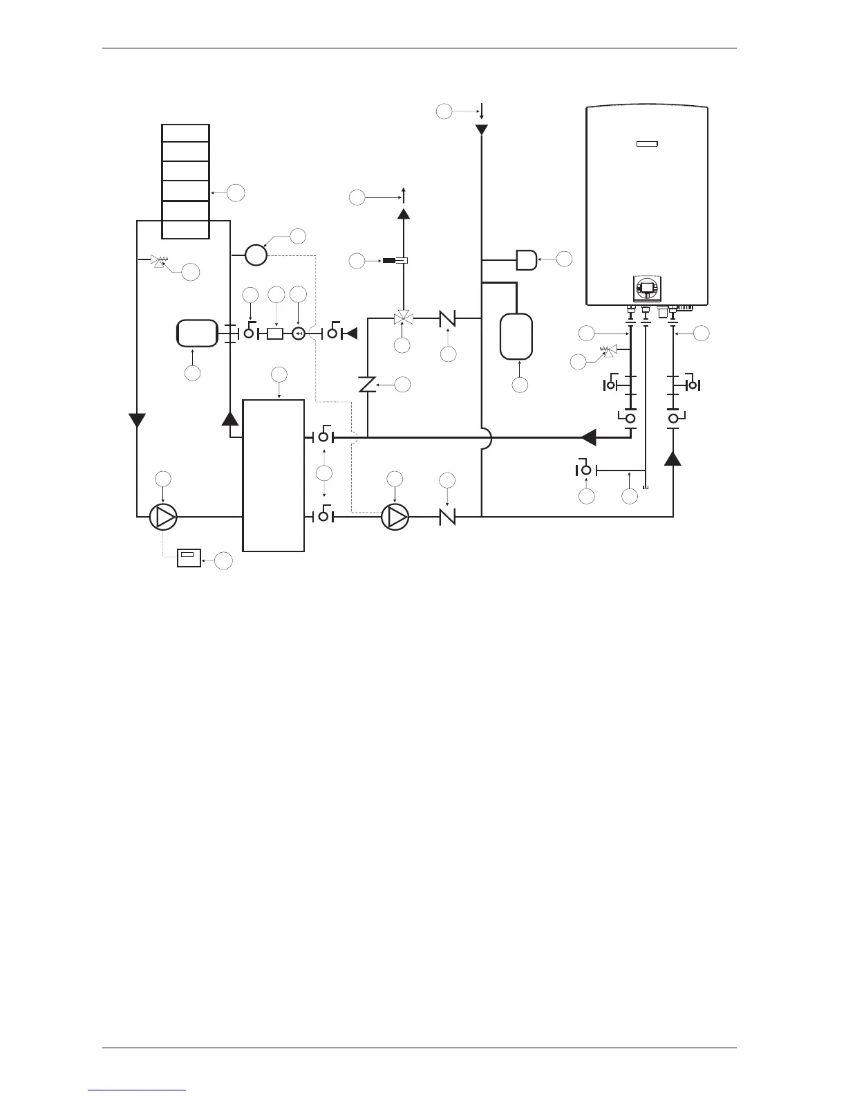
Installation instructions
Fig. 42 Space heating diagram
1 Hot water outlet
2 Cold water inlet
3 Pressure relief valve
4 Gas supply
5 Shut off gas valve
6 Thermal expansion tank (as required)
7 Atmospheric vacuum breaker
8 Cold inlet
9 Check valve
10 Pump
11 Thermostatic mixing valve
12 Thermometer (optional)
13 DHW outlet
14 Water to water heat exchanger
15 Backflow preventer
16 Automatic water feed
17 Thermostat
18 Space heating zone
19 Zone controller
20 Space heating pump
21 Expansion tank
22 Pressure relief valve
6720644887-02.1V
21
3
5
6
7
8
13
11
12
5
21
17
20
14
10
9
9
9
15
16
22
19
4
T
18
5

Related product manuals