EasyManua.ls Logo

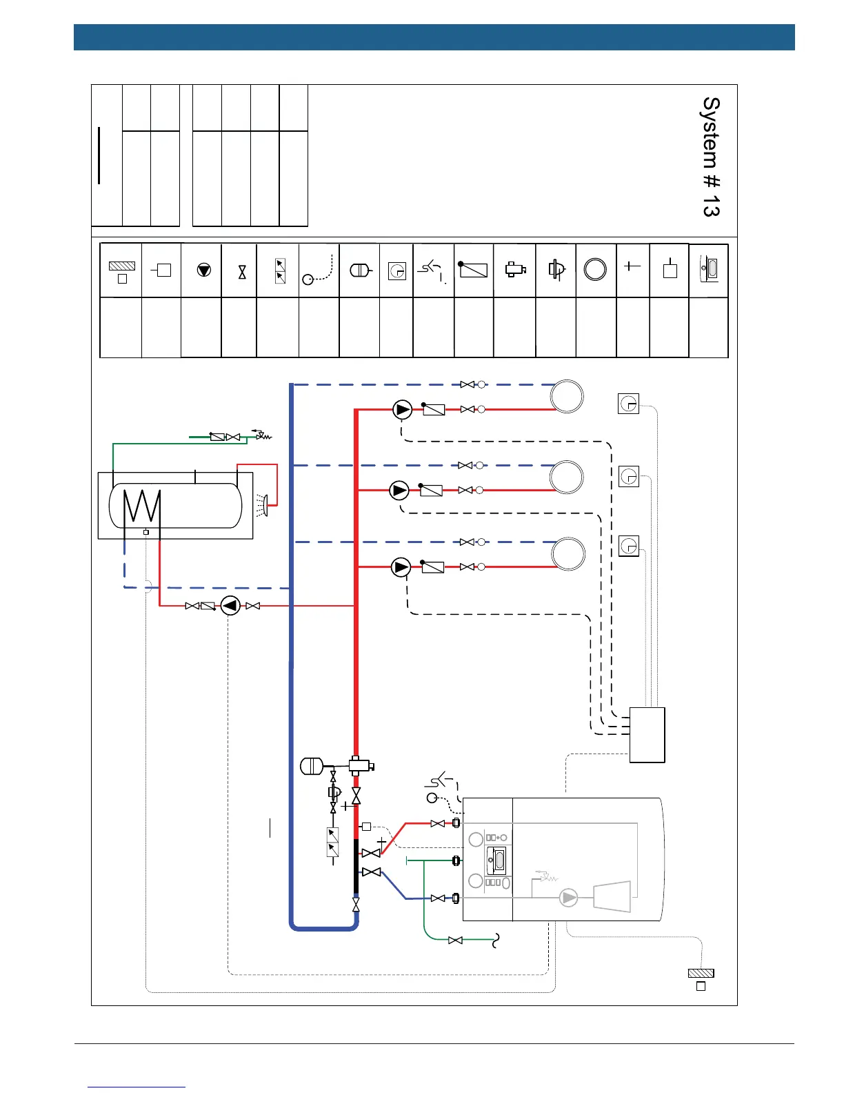
Bosch FS 151 - System 13 Multi Zone Heat Only Wall Boiler Circulators Indirect Tank Zone Relay

Bosch FS 151
76 pages
Print Icon
To Next Page IconTo Next Page
To Next Page IconTo Next Page
To Previous Page IconTo Previous Page
To Previous Page IconTo Previous Page
Loading...
30
|
Bosch Greenstar Applications Manual
Bosch Thermotechnology Corp.Data subject to change
Bosch
Date
...
Bases
No.
Changed
Released
Created
...
Zone relay
X X
Expansion Tank
Auto-Fill
Air Eliminator
Shut-off
valve
Back-flow
preventer
PRV Relief
Piping
Condensate
drain
Room
Thermostat
Flow Check
Heating
zone
Circulator
Purge Drain
DISCLAIMER: Application drawings
in this manual are conceptual only
and do not purport to address all
design, installation, code, or safety
considerations. The diagrams in
this manual are for reference use by
code officials, designers and
licensed installers. It is expected
that installers have adequate
knowledge of national and local
codes, as well as accepted industry
practices, and are trained on
equipment, procedures, and
applications involved. Drawings are
not to scale. Refer to the boiler,
control and module installer
manuals for additional detailed
information.
T
T
T
T
T
T
(Use of FW200 and outdoor
air sensor is optional)
DHW
Thermistor
Supply
Sensor
Outdoor
Sensor
Note: See Appendix B for
Primary/Secondary piping
requirements
Gas
Supply
...
FW200
Multi Zone
Heat only wall boiler
Circulators
Indirect Tank
Zone Relay

Related product manuals