EasyManua.ls Logo

Bosch FS 151 - Page 71

Bosch FS 151
76 pages
Print Icon
To Next Page IconTo Next Page
To Next Page IconTo Next Page
To Previous Page IconTo Previous Page
To Previous Page IconTo Previous Page
Loading...
Applications Manual Bosch Greenstar | 71
Bosch Thermotechnology Corp.
Data subject to change
B
B
4
2
1
A
F
9
7
8
LWCO
Supply Sensor
Dry contacts
Bosch Controls
Outdoor
Sensor
120 VAC
24 VAC
L
N
red
storage
tank pump
L
N
black
ch pump
for unmixed heating
L
N
white
mains
120v/60 hz
Ground
Neutral
120 V
Transformer
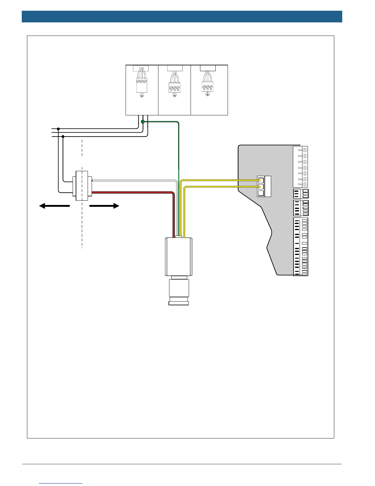
External Junction
Box on Bottom of
Greenstar Wall boiler
Heatronic Control
Hydrolevel Safgard 1100
Low Water Cut-Off
ŹInstall a 24VAC 20VA Transformer near the boiler
ŹFollow LWCO manufacturer’s instructions
ŹConnect the lead labeled BOILER GROUND (green) to the ground wire of the white plug in the boiler
junction box
ŹConnect the leads labeled 24V HOT(red) and 24V COMMON(white) to the external 24VAC transformer
(field supplied)
ŹInside the Heatronic Control of the boiler, remove jumper from terminal #8 and #9 and connect the leads
labeled SWITCH CONTACT (yellow) to terminals #8 and #9
Appendix D: Wiring Hydrolevel Safgard 1100 Low Water Cut-off
to Greenstar Wall Boiler
Main Power
Supply
Yellow
Yellow
Green
White
Red

Related product manuals