EasyManua.ls Logo

Bosch KBR16-3 - Electrical wiring heating boiler KBR..-3 A

Bosch KBR16-3
100 pages
Print Icon
To Next Page IconTo Next Page
To Next Page IconTo Next Page
To Previous Page IconTo Previous Page
To Previous Page IconTo Previous Page
Loading...
12 | Information about the appliance
Greenstar FS
6 720 810 590 (2015/05)
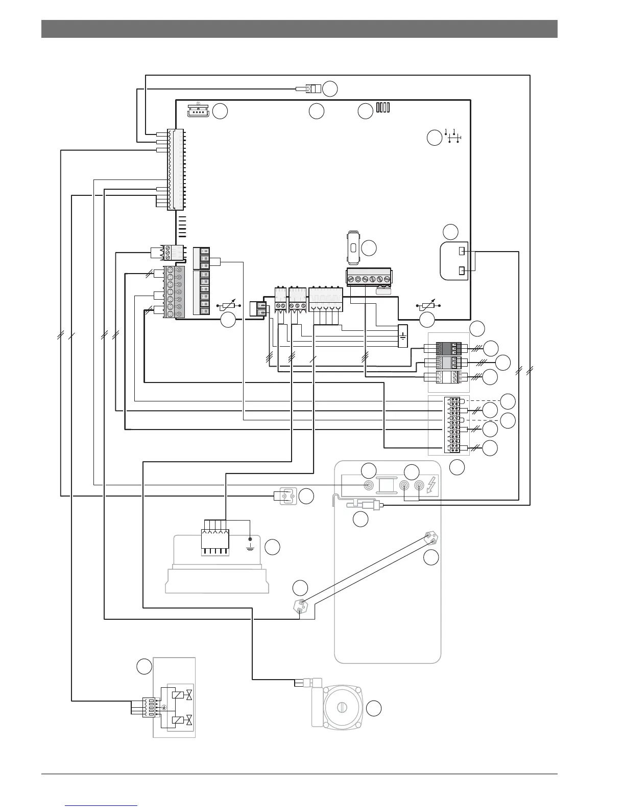
3.9 Electrical wiring heating boiler KBR..-3A
Fig. 8 Electrical wiring diagram heating boiler KBR..-3A
6720810590-10.1Wo
1
T
2
5
4
3
6
L
R
L
S
NLN
S
789
LPNP
A
F
1
2
4
B
B
27
15
7
8
17
25
26
20
19
22
21
18
4
6
23
9
10
11
16
13
12
14
24
1
2
3
4
56
BUS
TT
out sen
DHW sen
LWC O

Table of Contents

Related product manuals