EasyManua.ls Logo

Bosch KBR28-3A - Electrical wiring diagram for heating boiler KBR..-3 A

Bosch KBR28-3A
100 pages
Print Icon
To Next Page IconTo Next Page
To Next Page IconTo Next Page
To Previous Page IconTo Previous Page
To Previous Page IconTo Previous Page
Loading...
Information about the appliance
Greenstar FS/Combi FS – 6 720 810 590 (2020/04)
14
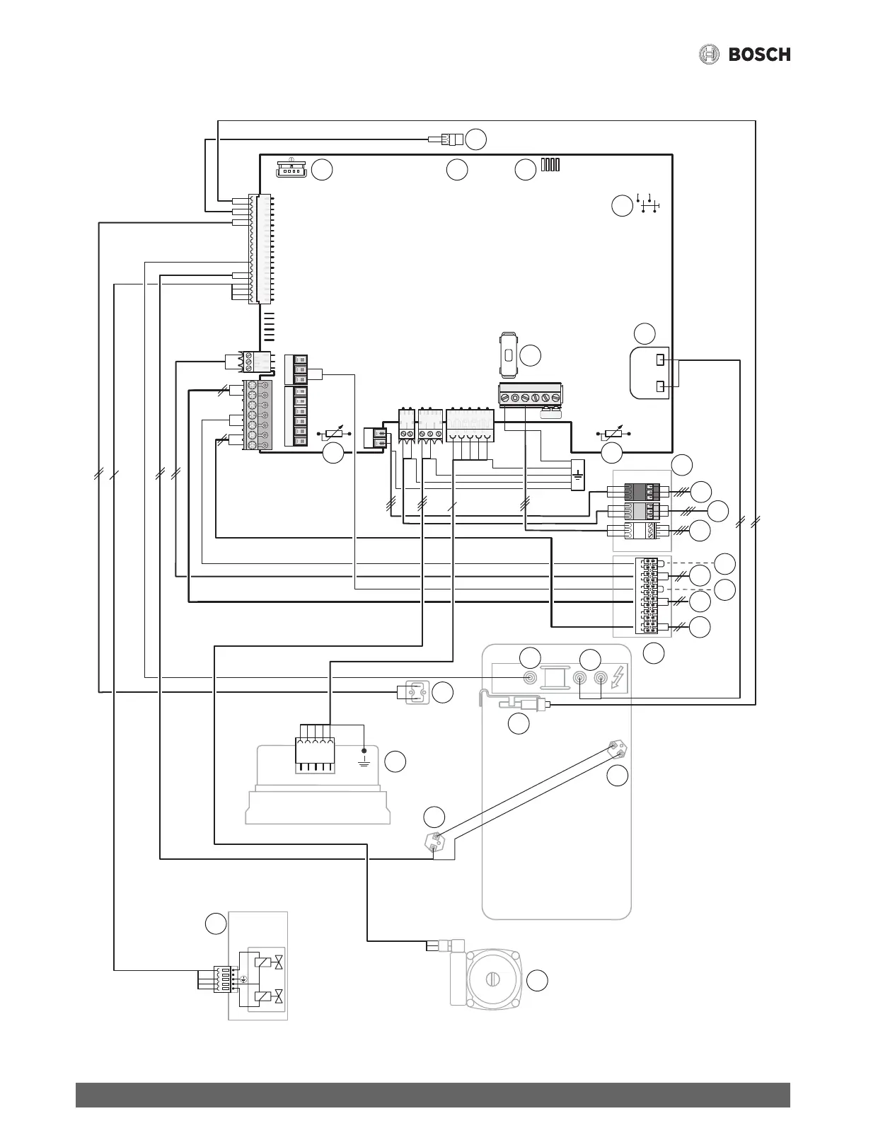
3.9 Electrical wiring heating boiler KBR..-3A
Fig. 8 Electrical wiring diagram for heating boiler KBR..-3A
6720810590-10.1Wo
1
T
2
5
4
3
6
LRLSNLNS
789
LPNP
A
F
1
2
4
B
B
27
15
7
8
17
25
26
20
19
22
21
18
4
6
23
9
10
11
16
13
12
14
24
1
2
3
4
56
BUS
TT
out sen
DHW sen
LWC O

Table of Contents

Related product manuals