EasyManua.ls Logo

Bosch KBR35-3 - Electrical Wiring Combi Boiler KWB

Bosch KBR35-3
100 pages
Print Icon
To Next Page IconTo Next Page
To Next Page IconTo Next Page
To Previous Page IconTo Previous Page
To Previous Page IconTo Previous Page
Loading...
14 | Information about the appliance
Greenstar FS
6 720 810 590 (2015/05)
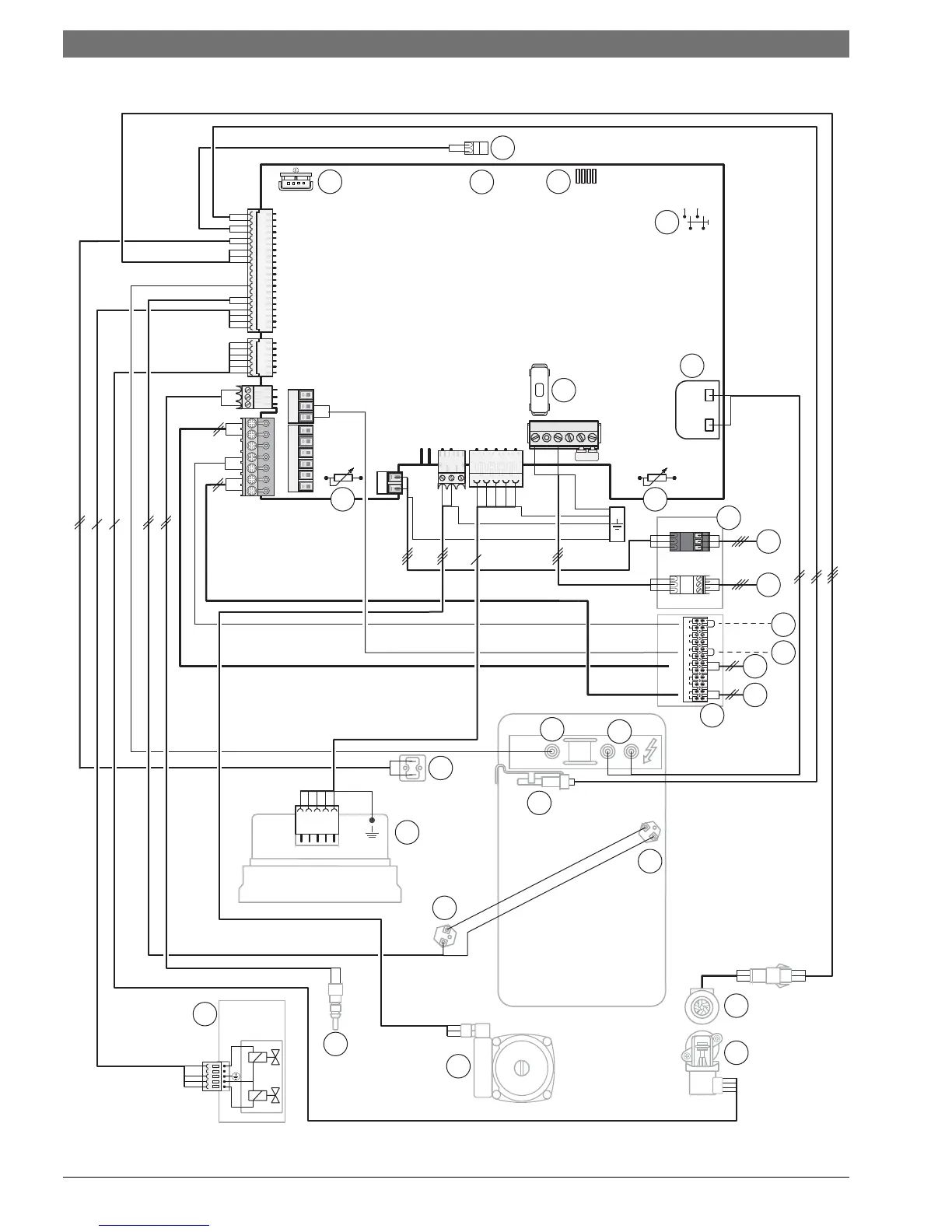
3.10 Electrical wiring combi boiler KWB..-3A
Fig. 9 Electrical wiring diagram combi boiler KWB..-3A
14
13
1
2
3
4
56
BUS
TT
out sen
DHW sen
LWC O
15
6720810590-09.1Wo
1
2
5
4
3
6
LRLSNLNS
789
LPNP
A
F
1
2
4
B
B
28 7
24
26
27
22
18
19
17
21
20
16
4
6
6
23
25
9
8
10
11
12
T

Table of Contents

Related product manuals