EasyManua.ls Logo

Bosch KBR35-3 - Common Applications of KBR Boilers

Bosch KBR35-3
100 pages
Print Icon
To Next Page IconTo Next Page
To Next Page IconTo Next Page
To Previous Page IconTo Previous Page
To Previous Page IconTo Previous Page
Loading...
26 | Common Applications of KBR boilers
Greenstar FS
6 720 810 590 (2015/05)
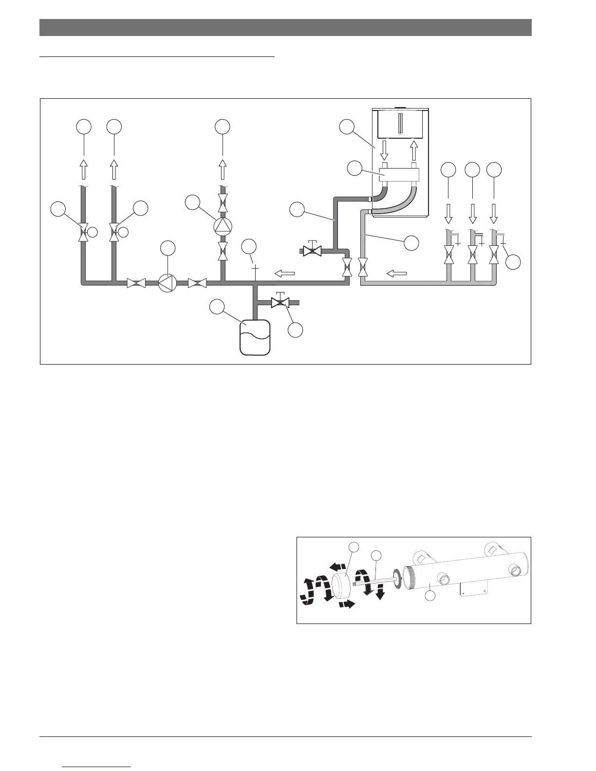
5 Common Applications of KBR boilers
5.1 Multiple zones using zone valves with DHW
Fig. 10 Piping
[1] Supply to heating zone 2
[2] Motorized valve heating zone 2
[3] Supply to heating zone 1
[4] Motorized valve heating zone 1
[5] System pump
[6] DHW pump
[7] Supply to indirect tank
[8] Drain/Bleed point
[9] Boiler supply pipe 1¼ "
[10] Low Loss Header
[11] Heat only boiler
[12] Boiler return pipe 1¼ "
[13] Return from indirect tank
[14] Return from heating zone 1
[15] Return from heating zone 2
[16] Drain/Bleed point
[17] Combination fast fill/back flow preventer
[18] Expansion (tank) vessel
5.1.1 To utilize the LLH
Switch off and isolate the boiler
▶Drain the boiler
Remove front panel
Locate the LLH at the left-hand side of the lower section of the boiler
1. Unscrew the cap [a] from the body of the LLH [c]
This will break the label across the cap and body indicating that
the LLH has been employed
2. Withdraw the cap [a] and plunger assembly [b]
3. Unscrew the plunger assembly [b] from the cap [a],
4. Set the plunger assembly [b] aside
5. Re-fit the cap [a] without the plunger assembly [b]
6. Tighten the cap [a] and ensure it is secure.
Fig. 11 Utilizing the LLH
6720810590-15.1Wo
MM
1 3 7
2
4
6
5
18
9
17
8
12
13 14 15
11
10
16
c
a
b
2.
4.
1.
5.
6.
6720811590-37.1Wo
3.

Table of Contents

Related product manuals