EasyManua.ls Logo

Bosch LBB 1935 - About the equipment; Equipment Overview and Features

Bosch LBB 1935
22 pages
Print Icon
To Next Page IconTo Next Page
To Next Page IconTo Next Page
To Previous Page IconTo Previous Page
To Previous Page IconTo Previous Page
Loading...
Bosch Security Systems | 2003-09 | 3922 988 92983en
Plena Booster Amplifier | Installation and Operating Manual | en | 7
1 About the equipment
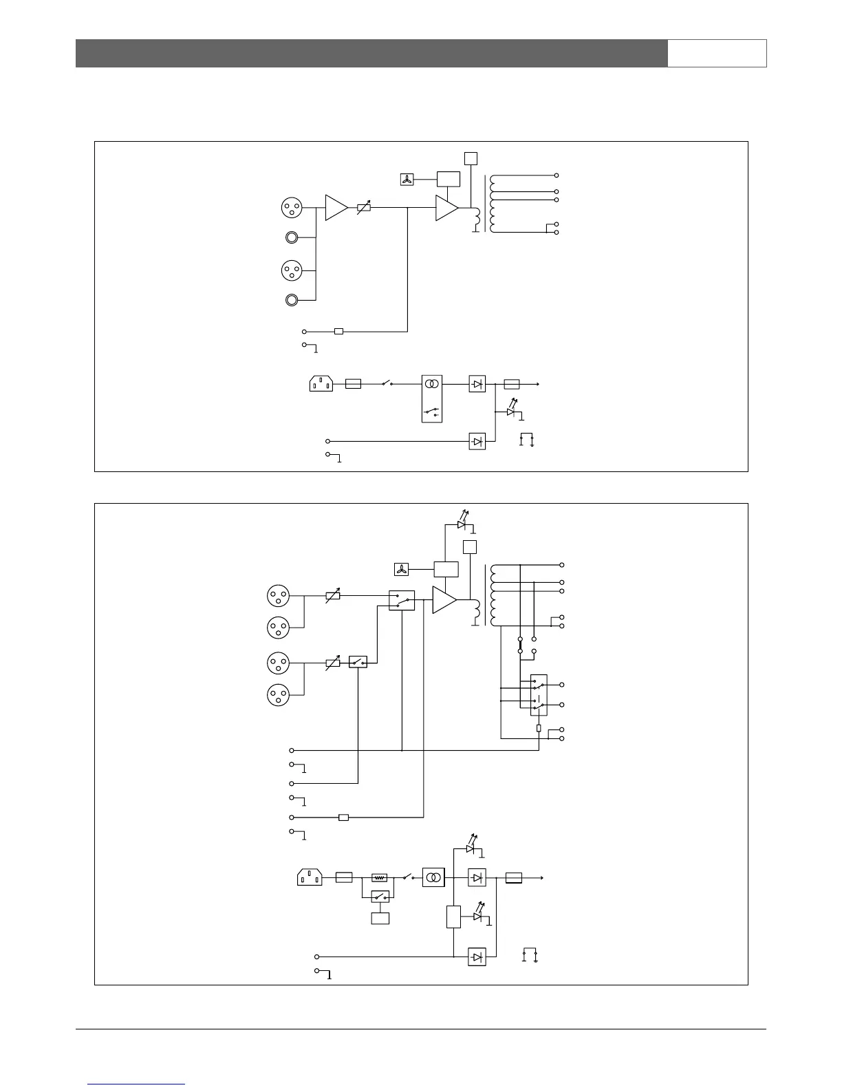
Figure 1.1
Figure 1.2
About the equipment
LBB1930
LBB1935
Fuse
Power
DC Fuse
Power
DC In 24V
+
-
Input
Loopthrough
Temp.
Sensor
VU
230V
240V
100V
70V
8Ohm
0
0
Slave Input 100V
100V
0
LBB1938
Fuse 10A
limiter
Inrush current
DC Fuse 40A
Power
Power
Delay
Battery
DC In 24V
+
-
Input 1 Priority
Loopthrough 1
Loopthrough 2
Input 2 Program
Temp.
Sensor
VU
230V
100V
70V
8Ohm
0
0
70V100V
-
+
-
+
Input 1 Priority
2..24V - Input 1
0V - Input 2
0V - Mute
2..24V - Enable
Input 2 Enable
Slave Input 100V
100V
0
F701 F702
No Priority
Priority Only
0
0
Overheat

Related product manuals