EasyManua.ls Logo

Bosch US3 - Diagrama Eléctrico

Bosch US3
48 pages
Print Icon
To Next Page IconTo Next Page
To Next Page IconTo Next Page
To Previous Page IconTo Previous Page
To Previous Page IconTo Previous Page
Loading...
22 | Información sobre el calentador US
6 720 647 005 (2011/09)
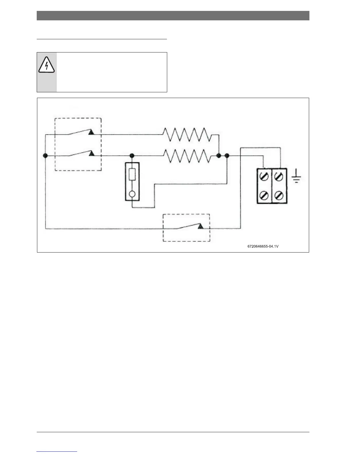
2.6 Diagrama eléctrico
Fig. 2 Esquema interno de conexión
PELIGRO: ¡Riesgo de choque eléctrico!
B Apague siempre el suministro eléctrico a
la unidad antes de retirar la cubierta o
realizar tareas de mantenimiento y servi-
cio.
Elementos de calefacción
Suministro
eléctrico
Restablecimiento manual Corta circuito térmito
Neón
Selector de potencia
e interruptor de flujo

Table of Contents

Related product manuals