EasyManua.ls Logo

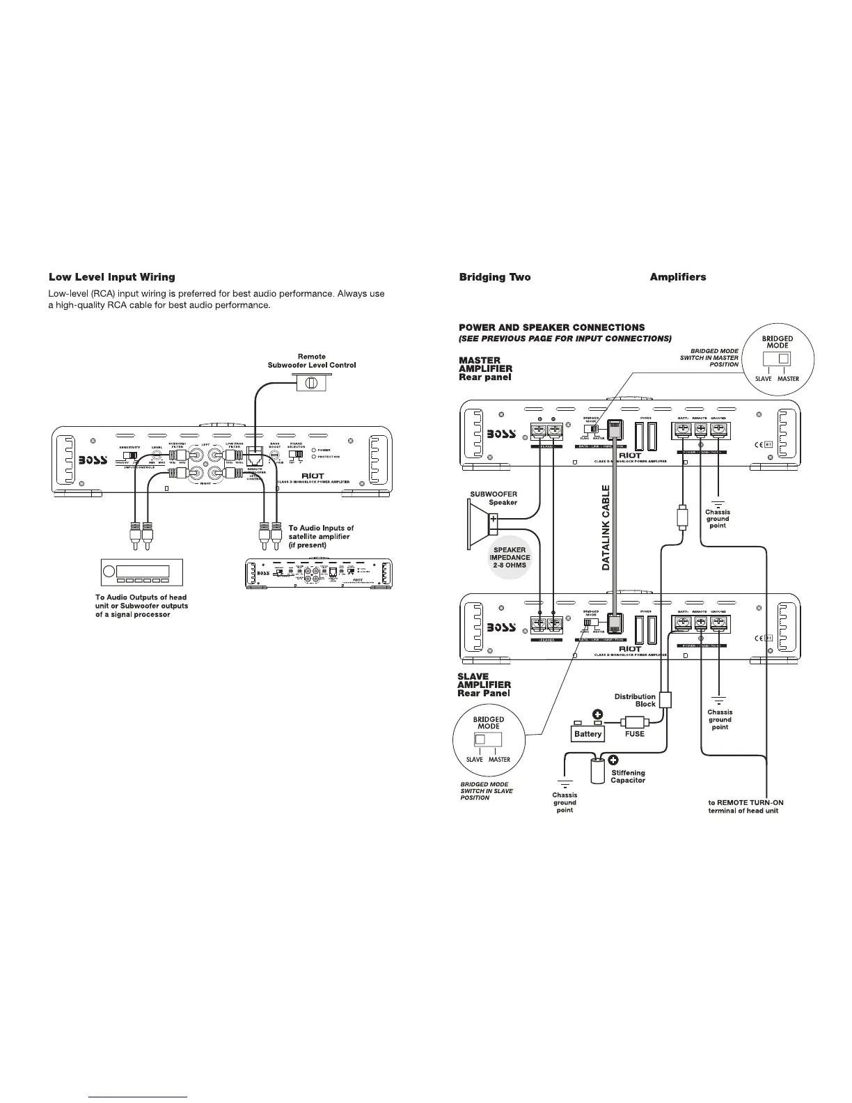
Boss R2400D - Low Level Input Wiring; Bridging Two R2400 D or R3400 D Amplifiers

Boss R2400D
7 pages
Print Icon
To Next Page IconTo Next Page
To Next Page IconTo Next Page
To Previous Page IconTo Previous Page
To Previous Page IconTo Previous Page
Loading...
R2400D or R3400D
R2400D and R3400D
When bridging two R2400D or R3400D amplifiers, the minimum speaker
impedance is 2 ohms.

Related product manuals