EasyManua.ls Logo

Bowers Sylvac XT3 - Button Functions and Operation; Set Menu Navigation; Reference Menu Navigation; Preset Menu Navigation

Bowers Sylvac XT3
28 pages
Print Icon
To Next Page IconTo Next Page
To Next Page IconTo Next Page
To Previous Page IconTo Previous Page
To Previous Page IconTo Previous Page
Loading...
8
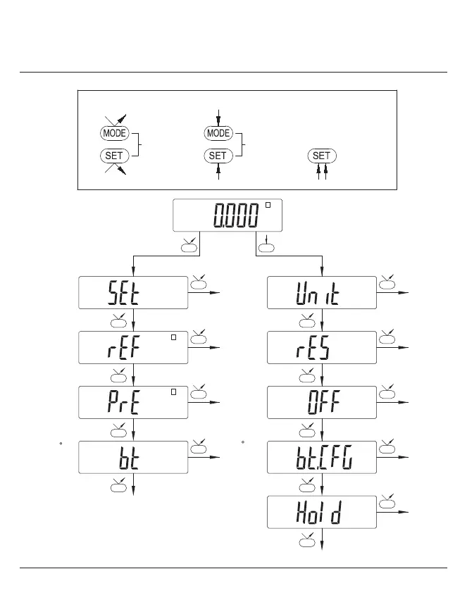
BUTTON FUNCTIONS FONCTIONS DES BOUTONS TASTENFUNKTIONEN
FUNZIONI DEI PULSANTI FUNCIONAMIENTO DE TECLAS
How to use buttons Synoptique fonctionnel Tastenbedienung Come usare i pulsanti Funciones de las teclas
Unit
menu
Resolution
menu
SET
mm
MODE
SET
mm
SET
mm
SET
mm
SET
1
mm
mm
1
Ref
menu
Measuring
mode
MODE
Set
menu
SET
mm
MODE
Auto
Switch Off
menu
Preset
menu
1
MODE
MODEMODE
SET
mm
MODE
SET
mm
MODE
Hold
menu
Bluetooth
Config
menu
R
SET
mm
MODE
Bluetooth
menu
R
MODE
Measuring mode
MODE
Measuring mode
< 1 sec > 2 sec
> 5 sec
KEY CLE SCHLÜSSEL IMPORTANTE

Related product manuals