EasyManua.ls Logo

Bowflex BXE116 - Electrical Wiring Diagram

Bowflex BXE116
147 pages
Print Icon
To Next Page IconTo Next Page
To Next Page IconTo Next Page
To Previous Page IconTo Previous Page
To Previous Page IconTo Previous Page
Loading...
18
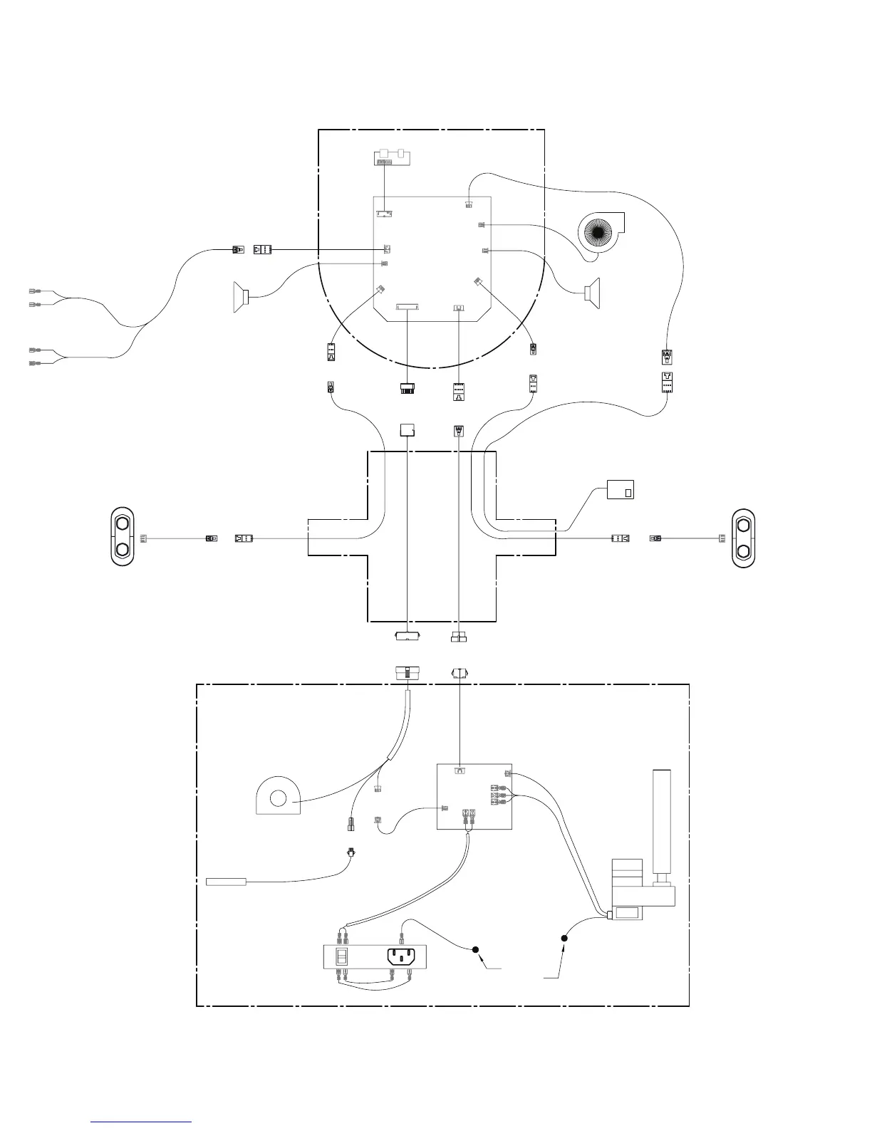
ELECTRICAL WIRING DIAGRAM
SWITCH
PWR
3 2
4 1
L
N
G
WIRELESS HR MODULE
CONSOLE
PCB
SERVO
SPEED
SENSOR
MCB
TO HR CONTACTS
LIFT MOTOR
ON/OFF
EARTH
GROUND
FAN
RIGHT
SPEAKER
LEFT
SPEAKER
USB PCB
WIRELESS HR
REMOTE
RESISTANCE
REMOTE
INCLINE
CONSOLE MAST
ENGINE
LEFT HANDLEBAR
RIGHT HANDLEBAR

Other manuals for Bowflex BXE116

Related product manuals