EasyManua.ls Logo

Bpt VA/01 - Page 24

Bpt VA/01
Print Icon
To Next Page IconTo Next Page
To Next Page IconTo Next Page
To Previous Page IconTo Previous Page
To Previous Page IconTo Previous Page
Loading...
B
VA/01
+12V
M2
+
-
B IN1
B IN2
B IN3
B OUT
DVC/01
-
-
-
M2
12V
+
-
M1
B OUT
+
-
M1
B OUT
DVC/01
-
-
-
M2
12V
V+
V–
+
+
-
B
-
V4
-
V3
-
V2
V1
-
VSC/01
Le
L2
L1
Page 8 - Manual FB00353-EN - ver. 1 - 12/2015 - © CAME S.p.A.
The contents of this manual are subject to change at any time without prior notice.
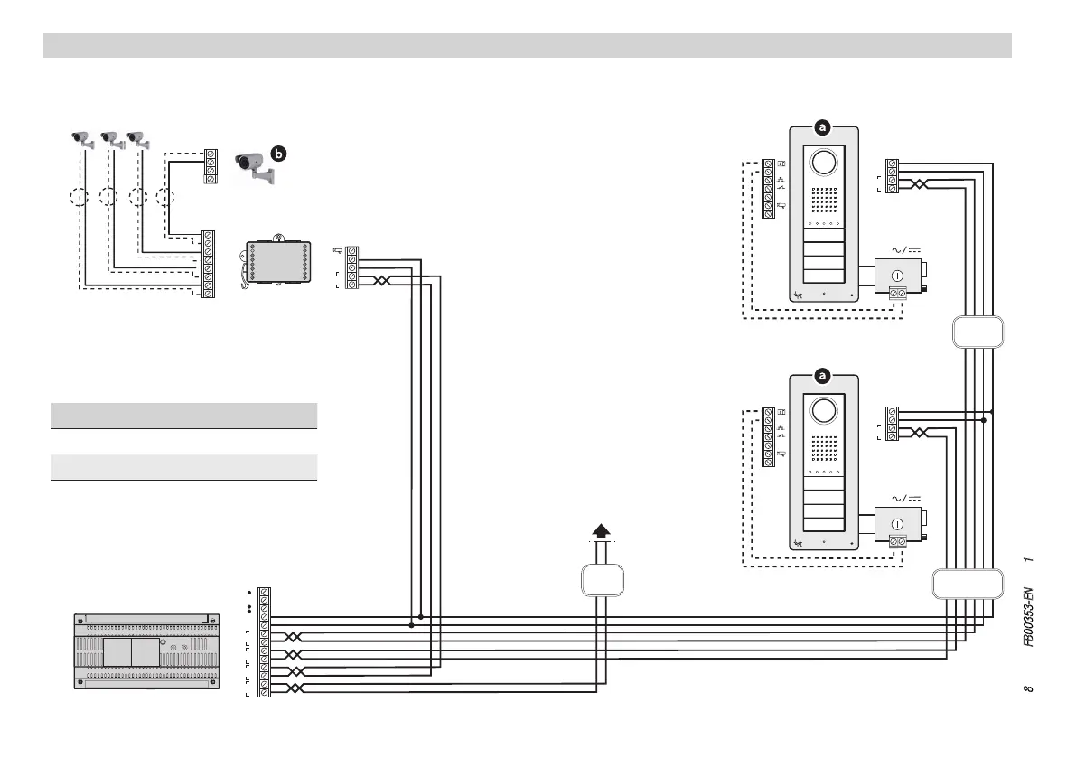
SAMPLE SYSTEMS WITH VA/01
Multi-family system with 󱤎 2 entry panels and 󱤏 4 separate video cameras.
To the IN terminals of the
risers towards the indoor
receivers.
Admissible distances with cable
VCM/2D
Line /m
L1, L2 100
L1 + L2 200

Other manuals for Bpt VA/01

Related product manuals