EasyManua.ls Logo

BRADEN BG4A - Theory of Operation; Hoist Description; Planetary Gear Train; Dual Brake System

BRADEN BG4A
26 pages
Print Icon
To Next Page IconTo Next Page
To Next Page IconTo Next Page
To Previous Page IconTo Previous Page
To Previous Page IconTo Previous Page
Loading...
THEORY OF OPERATION
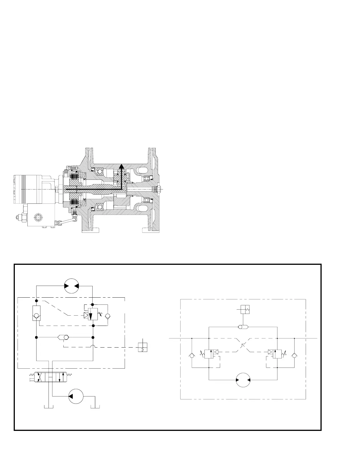
DESCRIPTION OF HOIST
The hoist has three basic assemblies:
1. Hydraulic motor, brake valve block and counter-
balance cartridges.
2. Static brake assembly.
3. Cable drum assembly.
The hydraulic motor is bolted to the motor adapter which
in turn is bolted to the brake cylinder end plate of the hoist.
The cable drum assembly is supported on the motor end by
a bronze bushing and on the support end by a roller bear-
ing. The ring gear for the single planetary reduction set is
machined into the inside of the cable drum. The cable drum
features two anchor pockets for winding cable on the drum
in either direction.
PLANETARY GEAR TRAIN
The hydraulic motor shaft is directly splined to the brake
coupling which is connected to the sun gear of the planetary
reduction set. The planet carrier is splined to the bearing
support end plate and cannot rotate. The hydraulic motor
rotates the brake coupling and sun gear, driving the planet
gears which in turn drive the ring gear/cable drum.
DUAL BRAKE SYSTEM
DYNAMIC BRAKE
The dynamic brake consists of two basic components:
1. Brake Valve block and cartridges;
2. Hydraulic motor.
The brake valve contains a counterbalance cartridge valve,
pilot-operated check valve and a shuttle valve. The check
valve opens at approximately 30 PSI (207 kPa) to allow the
hoist to rotate in the raising direction. During lowering, oil is
sent to the counterbalance cartridge which blocks the ow
of oil out of the motor until the valve cracks opens at ap-
proximately 750 PSI (5,170 kPa) with no load. After the
valve cracks open, the pilot pressure becomes ow depen-
dent modulating the cartridge valve to control the lowering
speed. The shuttle valve directs oil to the internal brake from
both directions, releasing the brake during both raising and
lowering operations.
Note: Early BG4A hoists included (2) counterbalance car-
tridges in the valve block. When servicing, one cartridge
may be replaced with the check valve cartridge currently
in use.
A
B
WINCH
BRAKE
BR
2 COUNTERBALANCE CARTRIDGES
(Early BG4A Hoists)
BOTH CIRCUITS ARE WITH A SINGLE SPEED MOTOR,
BRAKE EFFECTIVE BOTH DIRECTIONS
HYDRAULIC CIRCUITS
Winch Brake
Pump
Control
Valve
Winch Assembly
W/Brake Valve
& Static Brake
Hoist
Lower
Pilot
Operated
Check
Valve
Winch Motor
Counterbalance Cartridge
1 COUNTERBALANCE CARTRIDGE
1 PILOT OPER. CHECK VALVE
4

Related product manuals