EasyManua.ls Logo

Bridge BP-90HS-SI EIP - Page 11

Default Icon
21 pages
Print Icon
To Next Page IconTo Next Page
To Next Page IconTo Next Page
To Previous Page IconTo Previous Page
To Previous Page IconTo Previous Page
Loading...
10
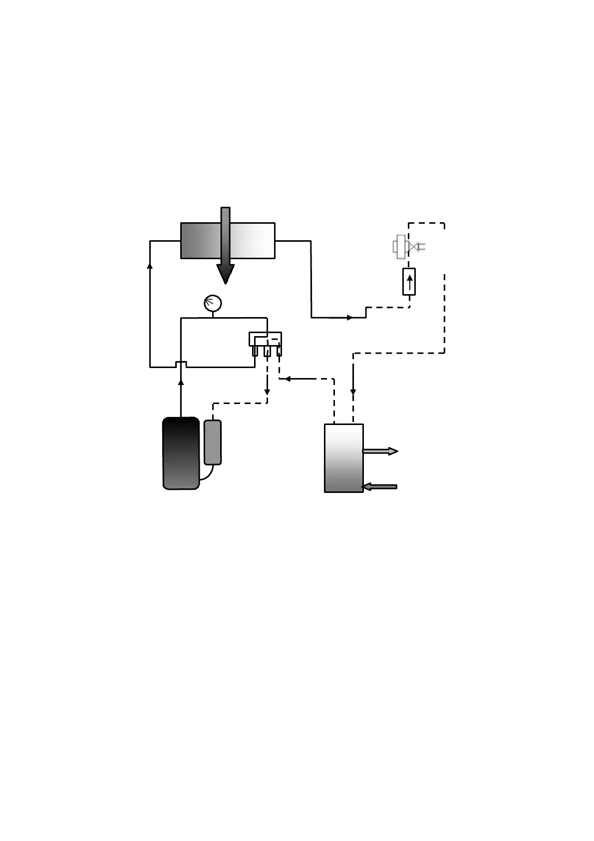
Swimming-pool water’s cooling mode:
The 4 way valve reverses the circulation of the refrigerant fluid; the fluid vaporizes in the exchanger
(evaporator) in getting the heat of the water, goes through in the compressor which reheats it and
through in the gilled radiator (which becomes condenser) where it comes back to liquid state.
Evaporator
(gilled
radiator)
Cold air
Hot air
Electronic
expansion
valve
Pressure and gas
intake
4 way
valve
Cold water
Hot water
Compressor
Evaporator
(exchanger)