EasyManua.ls Logo

Bridge BP-90HS-SI EIP - Electric Diagram

Default Icon
21 pages
Print Icon
To Next Page IconTo Next Page
To Next Page IconTo Next Page
To Previous Page IconTo Previous Page
To Previous Page IconTo Previous Page
Loading...
5. Anti-frost protection during winter
Anti-frost protection can only be activated when the heat pump is in STAND-BY mode or shu
tdown protection:
1) During standby mode, when the ambient temperature ≤5, First anti-frost protection activated.
Water pump will run automatically each10 minutes. When the ambient temperature ≥8, First anti-f
rost protection off.
2) When the heat pump shut down, and ambient temperature ≤5, outlet water temperature ≤2,
Second anti-frost protection activated. Heat pump will turn on automatically and run in heating mod
e. When ambient temperature ≥8 or outlet water temperature ≥15, Second anti-frost protection
off.
If outlet water sensor fault, inlet water sensor will be use instead.
If outlet water sensor and inlet water sensor both fault, First anti-frost protection activated.
3) During anti-frost protection, the display shows code E04.
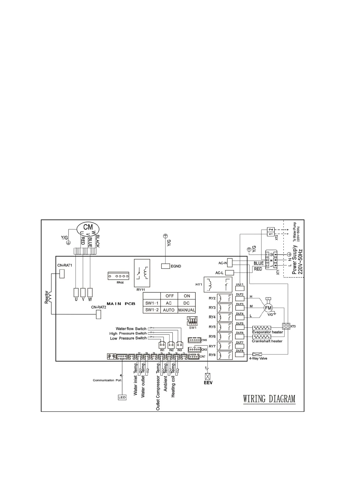
Electric diagram
12