EasyManua.ls Logo

Brobo BDF32-1 - Outline Drawing

Brobo BDF32-1
29 pages
Print Icon
To Next Page IconTo Next Page
To Next Page IconTo Next Page
To Previous Page IconTo Previous Page
To Previous Page IconTo Previous Page
Loading...
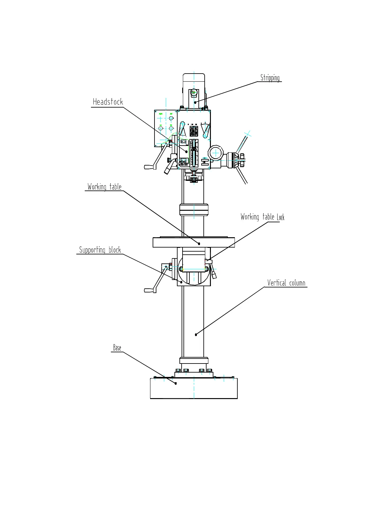
1. Outline Drawing
Fig
ure 1
BDF 32-1