EasyManua.ls Logo

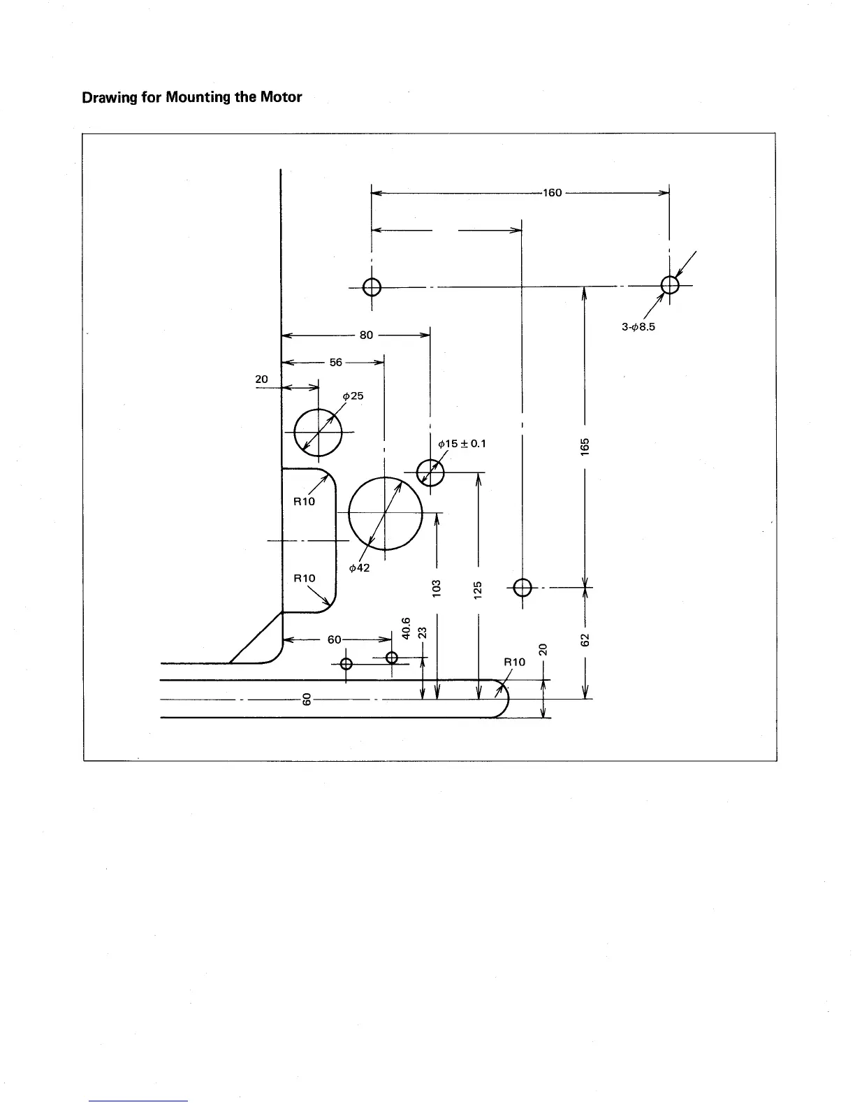
Brother DB2-B737 - Drawing for Mounting the Motor

Brother DB2-B737
32 pages
Print Icon
To Next Page IconTo Next Page
To Next Page IconTo Next Page
To Previous Page IconTo Previous Page
To Previous Page IconTo Previous Page
Loading...

Other manuals for Brother DB2-B737

Related product manuals