EasyManua.ls Logo

Bryant 38MPRAQ09AA3 - Wiring Diagram; Fan and Motor Specifications

Bryant 38MPRAQ09AA3
48 pages
Print Icon
To Next Page IconTo Next Page
To Next Page IconTo Next Page
To Previous Page IconTo Previous Page
To Previous Page IconTo Previous Page
Loading...
7
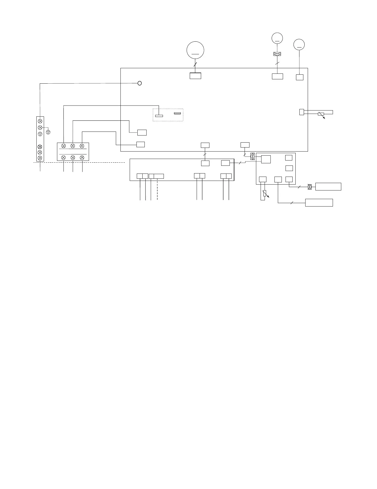
WIRING DIAGRAM
INDOOR WIRING DIAGRAM
PIPE TEMPERATURE SENSOR
5
YELLOW
RED
M
CN20
SWING MOTOR2
INDOOR
FAN
M
5
CN3
N-IN
CN5
CN6
RY1
L-OUT
L-IN
BLUE(BLACK)
DISPLAY BOARD
CN10
MULTI-FUNCTION CONTROL BOARD
CN3
MAIN BOARD
CN2
CN4
CN1
CN40
CN43
CN32
2
CN42
CN41
CN45
CN46
X Y
E
12V/5V
To 485 Wire-controller
To Remote Switch
To Remote Alarm
4
3
- - - -
element is optional,the actual shape shall prevail.
This symbol indicates the
INDOOR UNIT
OUTDOOR UNIT
L2
S
ROOM TEMPERATURE SENSOR
SWING MOTOR3
M
CN8
L1
CN5
CN6
Motion Sensor
5
Humidity Sensor
5
JX1
P1_1
Y/G
Fig. 4 – Wiring Diagram Sizes 09−12 (208−230V)
FAN AND MOTOR SPECIFICATIONS
Table 6—Fan and Motor Specifications
High Wall Unit Size
9K
(208/230V)
12K
(208/230V)
High Wall Fan
Material glass fiber+AS glass fiber+AS
Type GL-108*670-IN GL-108*670-IN
Diameter In (mm) 4.25(108) 4.25(108)
Height In (mm) 26.38(670) 26.38(670)
High Wall
Fan Motor
Model ZKFP-20-8-6-7 ZKFP-20-8-6-7
Volts V 208/230 208/230
Phase 1 1
Hertz 60 60
FLA 0.034 0.034
Type DC DC
Insulation class E E
Safe class IPX0 IPX0
Input W 50 50
Output W 20 20
Range of current Amps 0.023 0.023
Rated current Amps 0.023±10% 0.023±10%
Capacitor µF No Capacitor
Rated HP HP 0.027 0.027
Speed rev/min 1000/850/650 1050/900/650
Rated RPM rev/min 1000 1050
Max. input W 70 70

Related product manuals