EasyManua.ls Logo

Bryant 574B - Wiring Schematic - 3-Phase

Bryant 574B
28 pages
Print Icon
To Next Page IconTo Next Page
To Next Page IconTo Next Page
To Previous Page IconTo Previous Page
To Previous Page IconTo Previous Page
Loading...
23
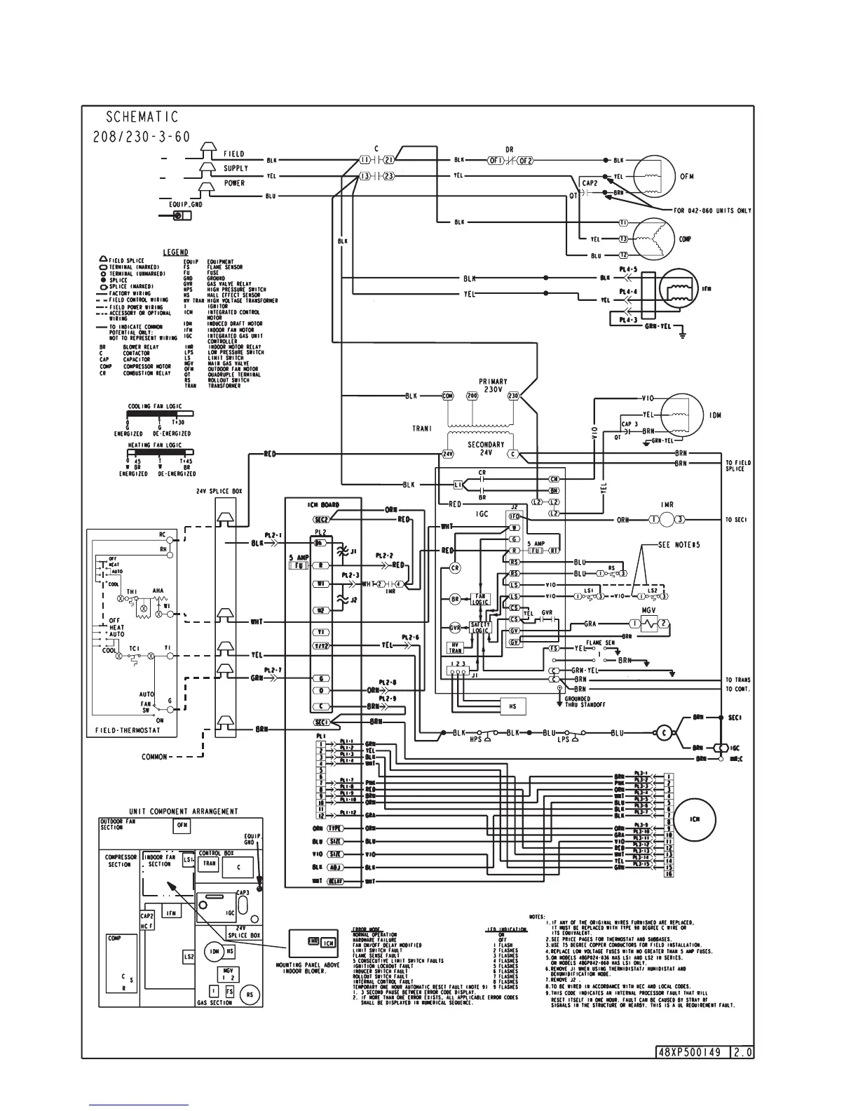
TYPICAL WIRING SCHEMATIC208/230-3-60 SHOWN
C99077
C03025

Other manuals for Bryant 574B

Related product manuals